logo elektroda
logo elektroda
X
logo elektroda
REKLAMA
REKLAMA
Adblock/uBlockOrigin/AdGuard mogą powodować znikanie niektórych postów z powodu nowej reguły.

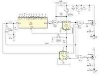
Układ do testowania wiązek światłowodowych

emaker 17 Sty 2010 11:52 3616 4
REKLAMA
  • Układ do testowania wiązek światłowodowych
    Wyżej przedstawiony układ zbudowano w oparciu o dwie diody LED o dużej jasności, dzięki którym możemy sprawdzić działanie wiązek światłowodowych. Światłowód przystawiamy do diody i obserwujemy, czy na jego końcu otrzymujemy transmisję światła. Układ może posłużyć do testowania światłowodu wielomodowego o długości większej niż 1 km. Sprawdzanie światłowodu jednomodowego może być utrudnione ze względu na obserwację światła odbieranego na jego końcu. Układ zawiera generator o częstotliwości około 5 Hz, zbudowany na bramce Schmitta. Wyjście generatora połączono z licznikiem, a licznik z przerzutnikiem typu D. Przyciśnięcie przycisku S1 ustawia przerzutnik i załącza generator. Powoduje to także ustawienie bramek sterujących bazami tranzystorów Q1 i Q2. Przycisk S2 resetuje przerzutnik D i zatrzymuje działanie generatora. Układ IC3b dzieli częstotliwość generatora przez dwa i sygnał z jego wyjścia podawany jest do żółtej diody LED. Dioda ta służy do oceny tłumienia jakie wnosi światłowód. Zasilanie oparto o trzy baterie typu AAA. Wartości elementów podano orientacyjnie.

    Źródło: EDN January 7, 2010

    Fajne? Ranking DIY
    O autorze
    emaker
    Poziom 12  
    Offline 
    Specjalizuje się w: elektroakustyka, akustyka
    emaker napisał 85 postów o ocenie 69. Mieszka w mieście "-". Jest z nami od 2009 roku.
  • REKLAMA
  • #2 7554745
    Mihas66
    Poziom 22  
    O matko bez obrazy ale jak ktoś to wykorzystać do sprawdzania włókien to ja mu zazdroszczę determinacji i miernika mocy optycznej w oku... Na lekcjach w ramach głupot śródlekcyjnych świeciliśmy diodami w wielomoda ale ja tam za cholerę nic nie widziałem, zresztą co tam zobaczyć jak to ma grubość taką że hoho... Daje nobla osobie która zmierzy dyspersje włókna tym cudem ... A tak poza tym w jakim oknie mierzymy światłowody czerwoną dioda bo raczej wątpię że to będzie 850, 1310 ,lub 1550nm;p Po prostu tani zamiennik reflektometru lub jego chiński odpowiednik brakuje tylko mi teraz spawarki zrobionej z zapalniczki elektrycznej;p
  • REKLAMA
  • #3 7555098
    Konto nie istnieje
    Poziom 1  
  • REKLAMA
  • #4 7555344
    Robstar
    Poziom 17  
    Tego typu rozwiązania są na rynku w obudowie breloczka :) i czasami bardzo sie przydają nawet na włókna jednomodowe. Na przykład do lokalizacj włókna w tacy mufy jeśli nie posiadamy dokładnej dokumentacji :).
  • #5 7564287
    Mihas66
    Poziom 22  
    Kto chociaż raz wykonywał pomiary reflektometrem lub chociaż wie jak wygląda wynik to dojdzie do wniosku że ten układ to poroniony pomysł, jeśli firma ma kasę na spawarkę to na jakiś reflektometr też ma...
REKLAMA