Czesc,
Jest to moj pierwszy post na tym forum, wiec chcialbym sie ze wszystkim przywitac
Do rzeczy jednak. Tak jak w tytule tematu chcialbym sie zapytac czy jest mozliwosc zmieniania funkcjonowania wyswietlacza ktory posiadam na moje potrzeby.
Pare fotek samego obiektu zainteresowania, jak widac procz zasilania z molexa mamy takze bateria 3V ktora to zasila zegarek. Kabelki jakie mozna do niego podpiac widac srednio wyraznie dlatego dodam, iz procz wspomnianego molexa jest tam takze jeden czujnik temperatury, 2 wtyczki do podpiecia wiatrakow oraz jedna wpinana w plyte glowna by moc odczytac stan pracy HDD.
Generalnie chcialbym przeniesc ekranik "pod monitor" tak by dane byly dla mnie bardziej widoczne (by teraz cos na nim zobaczyc musze sie porzadnie wychylic gdyz obudowa stoi obok biurka). Niestety jego funkcjonalnosc mi nie wystarcza, na ten moment moge jedynie monitorowac temperature z czujnika, widziec aktualna godzine i znac w 3 stopniowej skali ilosc obrotow wiatrakow.
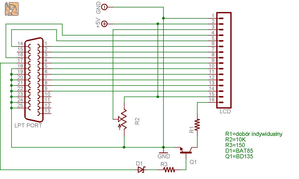
I teraz kluczowe pytanie.. Czy da sie owy wyswietlacz podpiac pod chocby LPT i wyswietlic na nim wlasne dane? Glownie chodzi mi o temperature CPU oraz chipsetu na plycie, godzine i date + ew. ilosc obrotow wiatrakow. Byloby fajnie gdybym mogl wykorzystac ten LCD, gdyz obawiam sie ze moga byc problemy z zakupem jakiegos innego w miejscu w ktorym mieszkam.
Z gory dziekuje za wszelkie odpowiedzi i pozdrawiam
Ps. Wybaczcie brak polskich ogonkow, ale chwilowo nie mam polskiego Windowsa.
Proszę wklejać zdjęcia wg tej instrukcji: https://www.elektroda.pl/rtvforum/topic595877.html
[DriverMSG]
EDIT: Obrazki poprawione, przepraszam za klopot
Jest to moj pierwszy post na tym forum, wiec chcialbym sie ze wszystkim przywitac
Do rzeczy jednak. Tak jak w tytule tematu chcialbym sie zapytac czy jest mozliwosc zmieniania funkcjonowania wyswietlacza ktory posiadam na moje potrzeby.
Pare fotek samego obiektu zainteresowania, jak widac procz zasilania z molexa mamy takze bateria 3V ktora to zasila zegarek. Kabelki jakie mozna do niego podpiac widac srednio wyraznie dlatego dodam, iz procz wspomnianego molexa jest tam takze jeden czujnik temperatury, 2 wtyczki do podpiecia wiatrakow oraz jedna wpinana w plyte glowna by moc odczytac stan pracy HDD.
Generalnie chcialbym przeniesc ekranik "pod monitor" tak by dane byly dla mnie bardziej widoczne (by teraz cos na nim zobaczyc musze sie porzadnie wychylic gdyz obudowa stoi obok biurka). Niestety jego funkcjonalnosc mi nie wystarcza, na ten moment moge jedynie monitorowac temperature z czujnika, widziec aktualna godzine i znac w 3 stopniowej skali ilosc obrotow wiatrakow.
I teraz kluczowe pytanie.. Czy da sie owy wyswietlacz podpiac pod chocby LPT i wyswietlic na nim wlasne dane? Glownie chodzi mi o temperature CPU oraz chipsetu na plycie, godzine i date + ew. ilosc obrotow wiatrakow. Byloby fajnie gdybym mogl wykorzystac ten LCD, gdyz obawiam sie ze moga byc problemy z zakupem jakiegos innego w miejscu w ktorym mieszkam.
Z gory dziekuje za wszelkie odpowiedzi i pozdrawiam
Ps. Wybaczcie brak polskich ogonkow, ale chwilowo nie mam polskiego Windowsa.
Proszę wklejać zdjęcia wg tej instrukcji: https://www.elektroda.pl/rtvforum/topic595877.html
[DriverMSG]
EDIT: Obrazki poprawione, przepraszam za klopot