logo elektroda
logo elektroda
X
logo elektroda
REKLAMA
REKLAMA
Adblock/uBlockOrigin/AdGuard mogą powodować znikanie niektórych postów z powodu nowej reguły.

Kolumny na przetwornikach Tonsil.

Mortez 19 Sty 2010 14:53 2039 6
REKLAMA
  • #1 7558499
    Mortez
    Poziom 11  
    Witam upierałem się przy tych Altusach 140, ponieważ posiadam dwa głośniki niskotonowe GDN 30/60/1 właśnie takie jakie w nich były, posiadam także dwa wysokotonowe GDWK 9/80 i mam takie pytańko czy dało by się coś zbudować z tego ??? mógłbym jeszcze załatwić dwa średniotonowe GDM 18/80 takie jakie były oryginalne w Altusach. O profesjonalnej zwrotnicy nie myślałem tylko o jakimś kondensatorze do średniotonowego i wysokotonowego. Czy to wypali ???
  • REKLAMA
  • Pomocny post
    #2 7558857
    dybas
    Poziom 38  
    Nie wypali. Trzeba wykonać zwrotnicę taką, jaką zaprojektował konstruktor-z elementów RLC. Głośniki wbudować w obudowę jak wyżej i będziesz miał klona. Wszystko inne będzie namiastką, stratą pieniędzy i porażką w odsłuchu.
  • REKLAMA
  • Pomocny post
    #3 7559039
    mczeslaw
    Poziom 36  
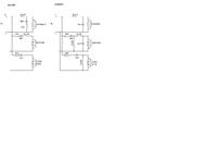
    Ten głośnik był juz niejednokrotnie omawiany. Mówię o GDN30/60/1. Na przekór i pohybel tym którzy mówią że to be, fu, kaszana ja zawsze mówię że każdy głośnik ma swoje optymalne warunki pracy. ( nie słuchałeś nie powtarzaj za innyni). A no dla tego głośnika 55 litrów netto w clozecie to najlepsze rozwiązanie, które nadaje mu swoisty pazur i piękny impuls. Prawda, głośnik nie schodzi do zakresów subsoniocznych, ale zejście na poziomie ok.60 Hz i to z pięknym impulsem i sporą efektywnością sprawiają, że niejeden o nim zdanie zmienił.
    Kolumny na przetwornikach Tonsil.
    oto projekt pod GDN30/60/1 GDM18/80 i GDWK 9/......
    Ja preferował bym GDWK 9/120 gdyż zwykła GDWK 9/80 może być za cicha.
    Dwa warianty zwrotnic:
    Kolumny na przetwornikach Tonsil.
    Powodzenia.
    Nie daj sie zwodzić że kolumny z BR są lepsze i lepszy bas. Tan głośnik z obudowie zamkniętej zagra o niebo lepiej niż niesprawdzony, nienadający się a na siłę pchany do bass-reflexu.
  • #4 7561453
    kborowiec
    Poziom 18  
    A gdybyś chciał co nieco poprawic, to proponuję obniżyc częstotliwości podziału zwrotnicy na ok. 500 Hz i 3kHz przy jednoczesnym zwiekszeniu jej nachylenia do minimum 12dB/okt. Tonsil najładniejszą charakterystykę pokazywał dla GDM 18/100 i GDM16/80/1.
  • REKLAMA
  • #5 7665923
    Mortez
    Poziom 11  
    Okazało się ze nie są to głośniki gdn 30/60/1 tylko są to gds 30/30 ale ze mnie gapa że tego nie zauważyłem....co mam teraz zrobić jak zwrotnice już zrobione i obudowy zrobione???
  • REKLAMA
  • #7 7730781
    Mortez
    Poziom 11  
    Okazało się że są to głośniki z cewką i membraną i zawieszeniem od GDN 30/60/1 a z koszem i magnesem od GDS 30/30 więc wmontowałem i wszystko ładnie pięknie grało dopóki nie przyszła pora na wkręcenie głośnika średnio-tonowego okazało się że otwór wycięty pod głośnik jest za duży o 0,5 cm i teraz nie wiem co począć może któryś z forumowiczów by wiedział, jeśli tak by się stało to bardzo proszę o pomoc....

    z Góry dziękuje ;)
REKLAMA