logo elektroda
logo elektroda
X
logo elektroda
REKLAMA
REKLAMA
Adblock/uBlockOrigin/AdGuard mogą powodować znikanie niektórych postów z powodu nowej reguły.

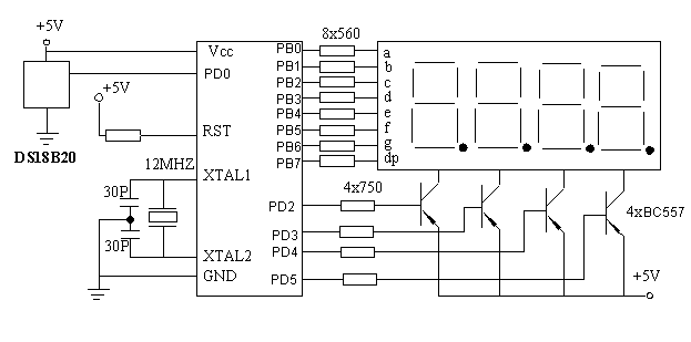
[ATtiny2313]+[DS18B20]+[poczwórny wyświetlacz 7-segmentowy]

sim_007 22 Sty 2010 14:29 6022 4
REKLAMA
  • #1 7573820
    sim_007
    Poziom 11  
    Witam

    Chodzi o program bo schemat już jest.

    Chodzi mi o wyświetlanie temperatury na tym wyświetlaczu:
    pierwszy znak to minus (albo pusto),
    drugi to liczba dziesiątek,
    trzeci to liczba jedności,
    a czwarty to liczba dziesiętna po przecinku.

    Nie mogłem nigdzie znaleźć takiego projektu,więc zwracam się o pomoc tutaj.
    Bardzo proszę o pomoc

    Pozdrawiam
    sim_007

    Przeniesiono z Programowanie Ogólne. - arnoldziq
  • REKLAMA
  • REKLAMA
  • #3 7573882
    sim_007
    Poziom 11  
    [ATtiny2313]+[DS18B20]+[poczwórny wyświetlacz 7-segmentowy]

    Dodano po 3 [minuty]:

    Czytałem te tematy, potrzebuje programu na wyświetlacz 7-segmentowy:
    pierwszy znak to minus (albo pusto),
    drugi to liczba dziesiątek,
    trzeci to liczba jedności,
    a czwarty to liczba dziesiętna po przecinku.
  • REKLAMA
  • #5 7573943
    sim_007
    Poziom 11  
    a jeśli chciałbym użyć tego kodu i schematu to jak usunąć zegarek?
    on ma dokładność do 0.1?

    Dodano po 17 [minuty]:

    a mógłbyś zrobić program do tego schematu który dałem?
REKLAMA