logo elektroda
logo elektroda
X
logo elektroda
REKLAMA
REKLAMA
Adblock/uBlockOrigin/AdGuard mogą powodować znikanie niektórych postów z powodu nowej reguły.

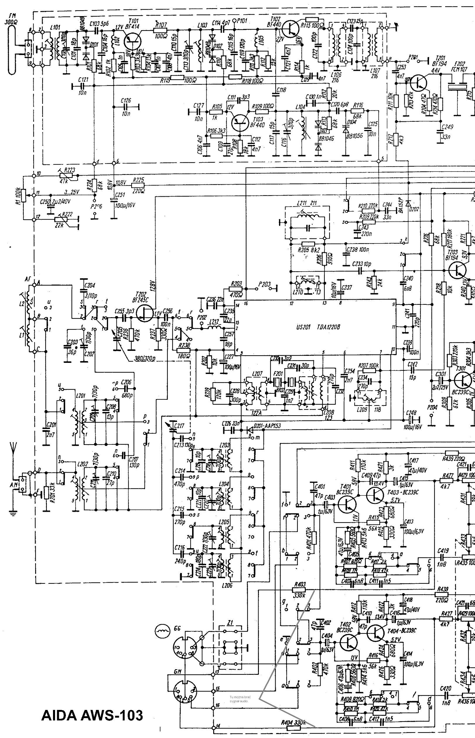
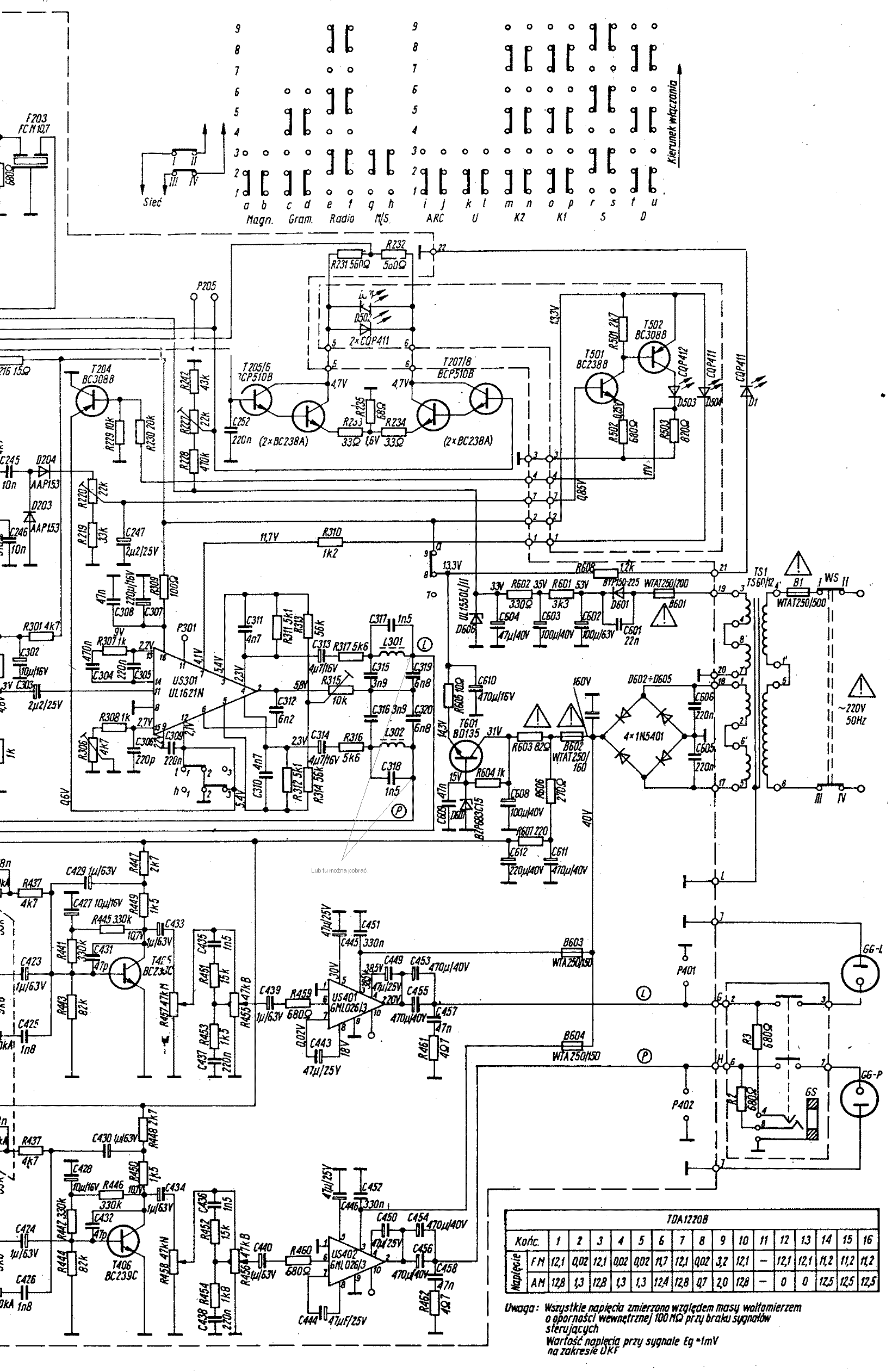
AIDA AWS 105 wejście PHONO

gpi_unit 26 Sty 2010 12:36 4383 7
REKLAMA
  • #1 7594019
    gpi_unit
    Poziom 12  
    Witam

    Mam pytanko chciałbym "pozbyć" się wkładki gramofonowej, aby mógł podpiąć pod pierwszy np. CD a pod drugi np. zewnętrzny tuner. Jak zmostkować wkładkę, abym miał 2 wejścia magnetofonowe?

    Pozdrawiam
  • REKLAMA
  • #2 7594144
    goldi74
    Poziom 43  
    A analizowałeś już schemat ideowy?
  • REKLAMA
  • #3 7595311
    gpi_unit
    Poziom 12  
    Schemat mam, ale nie wiem w jaki sposób odbywa się podwyższenie czułości napięcia wejściowego. Prawdopodbnie zrobione jest jakieś sprzężenie zwrotne... jak się mylę to mnie poprawcie. A ktoś wie może jak to ominąć??
  • REKLAMA
  • #4 7595369
    goldi74
    Poziom 43  
    Masz rację. Jest zrobione sprzężenie. I jemu trzeba się przyjrzeć dokładnie.
  • REKLAMA
  • #5 7595525
    gpi_unit
    Poziom 12  
    Hmm, a dokładniej coś. Mogę schemat podesłać... Bo nie chce sobie amplitunera zepsuć moim kombinowaniem...

    Schemat 1
    Schemat 2
  • #6 7595736
    vipmatrix7
    Poziom 18  
    Kolego a nie łatwiej było by po prostu zrobić przelotkę i pod jedno wejscie podłączyć dwa urządzenia? Wtedy nie trzeba nic robić we wzmacniaczu
  • #7 7615927
    gpi_unit
    Poziom 12  
    Wolałbym osobny tor... Ktoś pomoże? a zauważyłem że teraz jak podłączę coś pod wejście magn. to jak przełączę na gram. to słyszę co jest grane na wejsciu magn. Nie pamiętam jak to się fachowo nazywało (przenik chyba). Ale to raczej nie jest zjawisko normalne... czy coś jest ze sprzętem nie tak...
  • #8 7618377
    jurków
    Poziom 11  
    Z przedżwienkiem możesz mieć problem aby go zlikwidować. A co do przeróbki gniazda to należy wylutować kondensatory C412 i C411 i zmostkować końcówki 4i5 na izostacie od przełącznika gramofonowego po obu stronach. Powinno działać.
REKLAMA