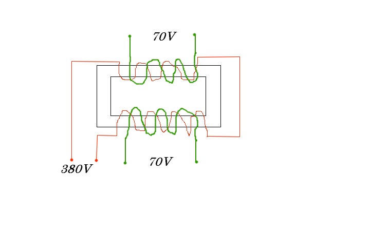
Witam, proszę o doradę jak zrobić regulację prądu.. Jest to duże mocne trafo połączone równolegle 2x70v. 5 elektrodę mocno pali a zabezpieczenie 25A wybija. Mam inny transformator, który chciałbym wykorzystać na bocznik ale nie wiem jak to wykonać. Słyszałem jeszcze, że regulacja na tyrystorach po stronie wtórnej dobrze się spisuje. Z góry dziekuję za odpowiedź.. A i jeszcze dodam, że nie interesuje mnie żadna regulacja po stronie pierwotnej, bo nie zdaje w ogóle egzaminu. Pozdrawiam.
