Witam
Zamierzam zakupić silnik od Saaba B204L bez kasety zapłonowej i chciałbym ją czymś zastąpić.
Jeżeli byłoby to możliwe prosiłbym kogoś (kto posiada taka rozłupaną lub uszkodzoną listwę) aby obadał co tam się znajduje, jakie posiada parametry i jak są spięte. Z tego co wiem Kaseta ta bardzo często się psuje a koszt wymiany w serwisie jest przerażający. Być może nie uda nam uczynić ta listwę mniej wadliwą, ale na pewno da się zbudować coś tańszego (na allegro używana najtaniej 250zł). Dla Sprecyzowania o co mi chodzi zamieszczam zdjęcie.
Z góry dziękuje i pozdrawiam
Sebastian
Na drugim zdjęciu znajduje się schemat silnika

Zamierzam zakupić silnik od Saaba B204L bez kasety zapłonowej i chciałbym ją czymś zastąpić.
Jeżeli byłoby to możliwe prosiłbym kogoś (kto posiada taka rozłupaną lub uszkodzoną listwę) aby obadał co tam się znajduje, jakie posiada parametry i jak są spięte. Z tego co wiem Kaseta ta bardzo często się psuje a koszt wymiany w serwisie jest przerażający. Być może nie uda nam uczynić ta listwę mniej wadliwą, ale na pewno da się zbudować coś tańszego (na allegro używana najtaniej 250zł). Dla Sprecyzowania o co mi chodzi zamieszczam zdjęcie.
Z góry dziękuje i pozdrawiam
Sebastian
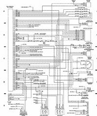
Na drugim zdjęciu znajduje się schemat silnika