logo elektroda
logo elektroda
X
logo elektroda
REKLAMA
REKLAMA
Adblock/uBlockOrigin/AdGuard mogą powodować znikanie niektórych postów z powodu nowej reguły.

Włączanie i wyłczanie pompy WC 230V

egdo 03 Lut 2010 19:35 1734 4
REKLAMA
  • #1 7638448
    egdo
    Poziom 11  
    Witam,
    Ponieważ jestem laikiem w tych sprawach proszę o łopatologiczne wytłumaczenie.
    Znalazłem podobny temat https://www.elektroda.pl/rtvforum/topic686409.html ale tam wszyscy orientują się w temacie i się dogadali. Napiszę o co mi chodzi. Mam pompkę do WC na 230V o mocy 27W, za każdym razem kiedy włączam kompa muszę włożyć wtyczkę do gniazdka. Chciałbym żeby w momencie włączenia komputera włączała się też pompka. Rozumiem że chodzi o jakieś elementy elektroniczne (przekaźniki, diody itd.) które w momencie pojawienia się napięcia 12V lub 5V zamkną obwód 230V pompki.
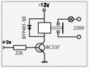
    To jest pewnie coś takiego:
    Włączanie i wyłczanie pompy WC 230V
    prosił bym tylko o w miarę jasny opis jak to zrobić.
    Pozdrawiam
    Z góry dzięki za pomoc.
  • REKLAMA
  • #2 7638518
    any56
    Poziom 39  
    Można to zrobić znacznie prościej. Nie trzeba stosować klucza tranzystorwego.
    Podłącz przekaźnik na 12V do żółtego i do czarnego przewodu (MOLEX).
    Oczywiście na cewce powinieneś zastosować diodę tłumiącą (katodą do +12V).
  • REKLAMA
  • #3 7638575
    edekk
    Poziom 26  
    Albo przekaźnik z cewką na 5V i podłączyć do portu USB
  • REKLAMA
  • #4 7638721
    egdo
    Poziom 11  
    chłopaki ja tego nie ogarniam... chciałbym zostać przy takim schemacie
    Włączanie i wyłczanie pompy WC 230V
    żeby wyglądało to tak

    Włączanie i wyłczanie pompy WC 230V
    zdjęcia zaczerpnięte z www.extern.pl

    Wiem że potrzebuje przekaźnika 12V 230V i tylko tyla. Chodzi o coś takiego?
    http://eltronix.pl/products/13336

    dwie diody z których jedna spolaryzowana zaporowo, a druga spolaryzowana przewodząco. Możecie jakiś link ze sklepu wrzucić. Naprawdę jestem laikiem:|

    Pozdrawiam
  • #5 13653222
    mojekonto23
    Poziom 12  
    Czy nadałby się: Przekaźnik JQX115F/012-1HS3 ? Mam podobny dylemat z pompą Buderus BUZ16 28W, 230VAC.
REKLAMA