Witam, mam problem z przesyłem danych cyfrowych na duże odległości tj. przewód 150m.
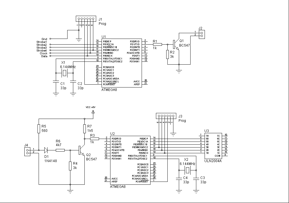
Komunikacja odbywa się między dwoma mikroprocesorami atmega8, tak więc obowiązuje standard TTL.
Przewód to standardowa skrętka 8-mio przewodowa z ekranem.
Oto sygnał po podpięciu jednego przewodu (wykorzystanie jednej żyły z 8 - bez ekranu):
Sygnał po podpięciu ekranu przewodu do wspólnej masy:
W związku z tym, że jestem początkujący nie mam pojęcia jak uzyskać stabilny przebieg sygnału cyfrowego bez stanów pośrednich (niedozwolonych j.w.).
Bardzo proszę o pomoc.
Komunikacja odbywa się między dwoma mikroprocesorami atmega8, tak więc obowiązuje standard TTL.
Przewód to standardowa skrętka 8-mio przewodowa z ekranem.
Oto sygnał po podpięciu jednego przewodu (wykorzystanie jednej żyły z 8 - bez ekranu):
Sygnał po podpięciu ekranu przewodu do wspólnej masy:
W związku z tym, że jestem początkujący nie mam pojęcia jak uzyskać stabilny przebieg sygnału cyfrowego bez stanów pośrednich (niedozwolonych j.w.).
Bardzo proszę o pomoc.
