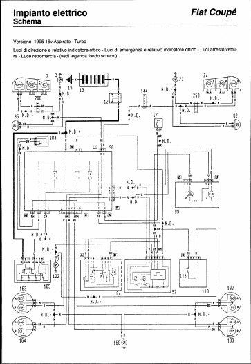
Witam. Tak jak w temacie. Poszukuje schematu podpięcia wyłączników zespolonych pod kierownicą w Fiacie Coupe. Wystarczy schemat podpięcia świateł. Czyli gdzie wchodzi a gdzie wychodzi. Szukałem w internecie ale nic nie znalazłem.
Bardzo proszę o pomoc
Z góry dziękuje za schematy
Bardzo proszę o pomoc
Z góry dziękuje za schematy