Witam.
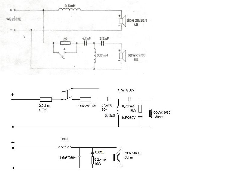
Mam następujący problem:robię swoje pierwsze kolumny i mają się składać z następujących podzespołów: 2 głośniki 8Ω :niskotonowy GDN 20/30/4 .30W i wysokotonowy GDWK 9/80 .80W oraz Sanyo 4Ω 20W. szukałem na forum informacji dotyczących łączenia takich głośników lecz są to informacje które nie przydadzą mi się do niczego. moje pytanie brzmi: czy te głośniki które mają 8Ω połączyć równolegle,a ten 4Ω wyposażyć w opornik 4Ω? jeśli tak to jak lutować ten opornik? z góry dziękuję za pomoc.
Wanik.
Mam następujący problem:robię swoje pierwsze kolumny i mają się składać z następujących podzespołów: 2 głośniki 8Ω :niskotonowy GDN 20/30/4 .30W i wysokotonowy GDWK 9/80 .80W oraz Sanyo 4Ω 20W. szukałem na forum informacji dotyczących łączenia takich głośników lecz są to informacje które nie przydadzą mi się do niczego. moje pytanie brzmi: czy te głośniki które mają 8Ω połączyć równolegle,a ten 4Ω wyposażyć w opornik 4Ω? jeśli tak to jak lutować ten opornik? z góry dziękuję za pomoc.
Wanik.