logo elektroda
logo elektroda
X
logo elektroda
REKLAMA
REKLAMA
Adblock/uBlockOrigin/AdGuard mogą powodować znikanie niektórych postów z powodu nowej reguły.

Podświetlanie TV LED-ami - sterowanie

czan 08 Lut 2010 19:51 3654 4
REKLAMA
  • #1 7664272
    czan
    Poziom 11  
    Witam
    Mam telewizor LCD za którym umieściłem dwa paski tzw. węża LED coś na styl "philips ambilight" (podświetlenie) i chciałbym zrobić bez ingerencji w tv włączanie i wyłączanie węża wraz z tv z pilota

    proszę o sugestie

    Podświetlanie TV LED-ami - sterowanie Podświetlanie TV LED-ami - sterowanie
  • REKLAMA
  • #2 7665336
    dominon
    Poziom 18  
    Może jakiś mały sterownik sterowany kodem z pilota. Najprościej chyba RC5 (jeżeli chodzi o "fale" z pilota). A sam moduł odbiorniczka to może kontroler z rodziny Attiny z numerkiem 12,13,15 w każdym razie w wersji 8-pinowej. Odbiornik fal podczerwonych czyli TSOP (numerki zależne od częstotliwości nadawania z pilota). No i element wykonawczy czyli może być zwykły tranzystorek bądź przekaźnik miniaturowy. Jak wszystko połączyć na pewno znajdziesz na elektrodzie. Wystarczy poszukać.
  • REKLAMA
  • #3 7675654
    mariann
    Poziom 38  
    Witam
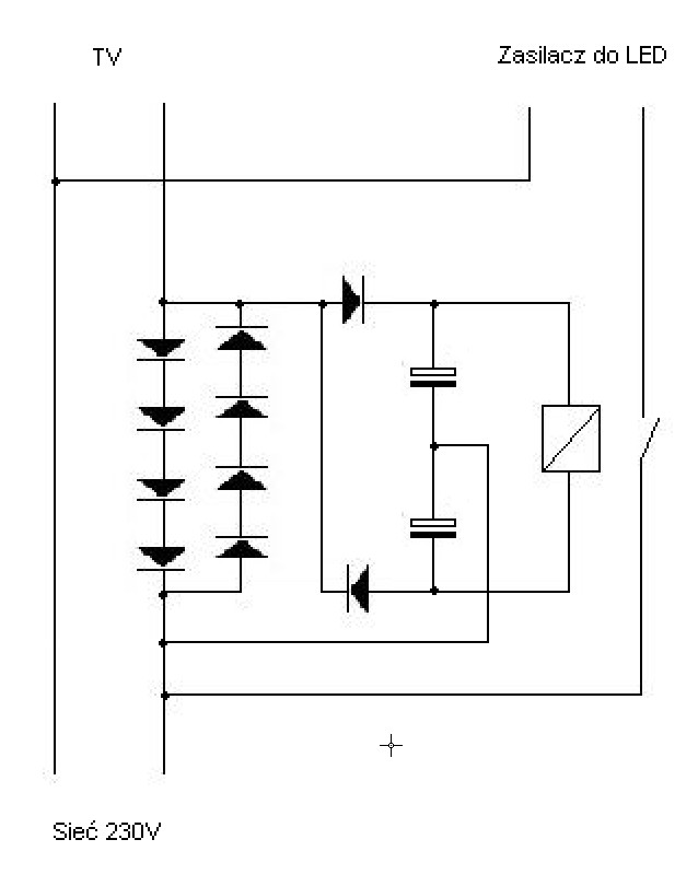
    Poprzednio pokazałem Ci schemat znaleziony w necie, ale on u Ciebie źle działa. Teraz proponuję urządzenie, które wykonałem i które pracuje u mnie od długiego czasu. Po włączeniu TV, urządzenie to, włącza dodatkowy wzmacniacz i subwoofer.

    Podświetlanie TV LED-ami - sterowanie

    Diody 1N4007, kondensatory 470uF, przekaźnik na 5V.
    Pozdrawiam
  • REKLAMA
  • #4 7684892
    czan
    Poziom 11  
    Przykro mi ale zmontowałem układ i nie działa tak jak bym chciał ( np. na dwóch żarówka działa tak jak powinien) jeżeli TV włączam i wyłączam na głównym wyłączniku to układ działa lecz jeżeli włączam lub wyłączam na pilocie niema reakcji
    ale dziękuje za sugestie

    proszę nadal o pomoc !!!!
  • #5 7685332
    mariann
    Poziom 38  
    Witam
    Ja też mam TV LCD i dobrze to działa. Zmierz jakie napięcie masz na przekaźniku gdy TV wyłączony, ale czuwa, a jakie napięcie jest gdy go włączysz. Jaki stosujesz przekaźnik? Może wystarczy zwiększyć pojemność kondensatorów.
    Pozdrawiam
REKLAMA