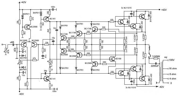
Przedstawiony układ wzmacniacza mocy może służyć jako estradowy, dyskotekowy lub radiowęzłowy. Dzięki zastosowaniu, w stopniu końcowym, tranzystorów o bardzo dużym współczynniku wzmocnienia prądowego układ wzmacniacza nie jest złożony.
Jego opis zacznijmy od wyjścia. Zastosowano transformator wyjściowy, który umożliwia przyłączanie grupy głośników o różnej impedancji bądź zasilanie linii o znamionowym napięciu 100V. Odpowiedni przekaźnik zapewnia odłączenie obciążenia w wypadku przeciążenia stopnia końcowego wzmacniacza, co groziłoby zniszczeniem tranzystorów.
W każdym ramieniu przeciwsobnego stopnia mocy pracują po trzy tranzystory połączone równolegle. Szczególną uwagę warto zwrócić na układ sześciu tranzystorów pracujących w układzie zabezpieczającym tranzystory mocy przed przepływem prądu emiterowego o nadmiernej wartości. Jeżeli przez rezystor włączony w obwód emiterowy tranzystora mocy, popłynie prąd o zbyt wielkiej wartości, to otwarty zostaje tranzystor układu zabezpieczającego i napięcie wzbudzające zostaje zredukowane do bardzo małej wartości. Analogiczny układ zabezpieczający zaleca stosować we wszystkich wzmacniaczach mocy,
w których pracują połączone równolegle tranzystory.
Stopnie wzmocnienia wstępnego wzmacniacza nie wyróżniają się niczym szczególnym. Stopień wzmacniacza różnicowego,
do którego doprowadzona jest pętla ujemnego sprzężenia zwrotnego, steruje pojedynczy stopień wzmocnienia napięciowego.
W obu stopniach zastosowano statyczne źródła prądowe.
Oba stopnie wzmocnienia wstępnego pracują przy względnie wysokim napięciu zasilającym, na co trzeba zwrócić uwagę przy stosowaniu tranzystorów innych typów niż podane na schemacie.
Symetrię obu ramion wzmacniacza mocy ustala się rezystorem nastawnym 47k. Wartość spoczynkową natężenia prądu płynącego przez tranzystory mocy ustala się rezystorem nastawnym 470 omów.
Stopień mocy pracuje w klasie AB przy prądzie spoczynkowym 100-200 mA. Wzmacniacz jest zasilany z konwencjonalnego zasilacza nie stabilizowanego wyposażonego w transformator o mocy 350 VA i napięciu 2x35 V, mostek prostowniczy z czterech diod i dwóch kondensatorów
o pojemności 10000 µF/63V. Stopień mocy jest przyłączony przez bezpieczniki topikowe 4A, a stopień wzmocnienia wstępnego przez bezpieczniki topikowe 100mA.
Dane techniczne wzmacniacza
Moc znamionowa 150W
Moc muzyczna 200W
Pasmo przenoszenia 40Hz - 16kHz
Współczynnik zawartości harmonicznych <1%
Znamionowe napięcie wejściowe 0,775V
Jego opis zacznijmy od wyjścia. Zastosowano transformator wyjściowy, który umożliwia przyłączanie grupy głośników o różnej impedancji bądź zasilanie linii o znamionowym napięciu 100V. Odpowiedni przekaźnik zapewnia odłączenie obciążenia w wypadku przeciążenia stopnia końcowego wzmacniacza, co groziłoby zniszczeniem tranzystorów.
W każdym ramieniu przeciwsobnego stopnia mocy pracują po trzy tranzystory połączone równolegle. Szczególną uwagę warto zwrócić na układ sześciu tranzystorów pracujących w układzie zabezpieczającym tranzystory mocy przed przepływem prądu emiterowego o nadmiernej wartości. Jeżeli przez rezystor włączony w obwód emiterowy tranzystora mocy, popłynie prąd o zbyt wielkiej wartości, to otwarty zostaje tranzystor układu zabezpieczającego i napięcie wzbudzające zostaje zredukowane do bardzo małej wartości. Analogiczny układ zabezpieczający zaleca stosować we wszystkich wzmacniaczach mocy,
w których pracują połączone równolegle tranzystory.
Stopnie wzmocnienia wstępnego wzmacniacza nie wyróżniają się niczym szczególnym. Stopień wzmacniacza różnicowego,
do którego doprowadzona jest pętla ujemnego sprzężenia zwrotnego, steruje pojedynczy stopień wzmocnienia napięciowego.
W obu stopniach zastosowano statyczne źródła prądowe.
Oba stopnie wzmocnienia wstępnego pracują przy względnie wysokim napięciu zasilającym, na co trzeba zwrócić uwagę przy stosowaniu tranzystorów innych typów niż podane na schemacie.
Symetrię obu ramion wzmacniacza mocy ustala się rezystorem nastawnym 47k. Wartość spoczynkową natężenia prądu płynącego przez tranzystory mocy ustala się rezystorem nastawnym 470 omów.
Stopień mocy pracuje w klasie AB przy prądzie spoczynkowym 100-200 mA. Wzmacniacz jest zasilany z konwencjonalnego zasilacza nie stabilizowanego wyposażonego w transformator o mocy 350 VA i napięciu 2x35 V, mostek prostowniczy z czterech diod i dwóch kondensatorów
o pojemności 10000 µF/63V. Stopień mocy jest przyłączony przez bezpieczniki topikowe 4A, a stopień wzmocnienia wstępnego przez bezpieczniki topikowe 100mA.
Dane techniczne wzmacniacza
Moc znamionowa 150W
Moc muzyczna 200W
Pasmo przenoszenia 40Hz - 16kHz
Współczynnik zawartości harmonicznych <1%
Znamionowe napięcie wejściowe 0,775V
Fajne? Ranking DIY