Witam!
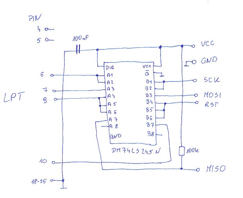
Chciałbym zbudować programator STK200(do zaprogramowania ATTINY2313) ale wykorzystać układ DM74LS245N, który także posiada bramki trójstanowe. Poniżej zamieszczam schemat wg którego chciałbym zrobić układ:
Jest to przerobiony schamat z tego tematu:
https://www.elektroda.pl/rtvforum/topic562430.html
Mam co do mojego, pewnie niezbyt genialnego pomysłu kilka pytań:
1. Czy nie podłączenie pinów 4 i 5 z LPT wpłynie na programowanie? Bo z tego co widzę służą one do załączania bramek, a w swoim układzie miałbym je ciągle włączone(co za tym idzie pewnie popsułem idee całego programatora i równie dobrze mógłbym podpiąć bezpośrednio uC pod LPT)?
2. Czy mogę DIR podpiąć bezpośrednio pod VCC, jak również ~G pod GND?
3. Czy da się podpiąć piny 4 i 5 w jakikolwiek sposób pod DIR?
4. Czy konieczne jest zastosowanie przykładowo trzech wyjść dla RST? Nie wystarczy jedno? Podobnie dla SCK?
Z góry dziękuję za wszelką pomoc i informacje na ten temat.
Chciałbym zbudować programator STK200(do zaprogramowania ATTINY2313) ale wykorzystać układ DM74LS245N, który także posiada bramki trójstanowe. Poniżej zamieszczam schemat wg którego chciałbym zrobić układ:
Jest to przerobiony schamat z tego tematu:
https://www.elektroda.pl/rtvforum/topic562430.html
Mam co do mojego, pewnie niezbyt genialnego pomysłu kilka pytań:
1. Czy nie podłączenie pinów 4 i 5 z LPT wpłynie na programowanie? Bo z tego co widzę służą one do załączania bramek, a w swoim układzie miałbym je ciągle włączone(co za tym idzie pewnie popsułem idee całego programatora i równie dobrze mógłbym podpiąć bezpośrednio uC pod LPT)?
2. Czy mogę DIR podpiąć bezpośrednio pod VCC, jak również ~G pod GND?
3. Czy da się podpiąć piny 4 i 5 w jakikolwiek sposób pod DIR?
4. Czy konieczne jest zastosowanie przykładowo trzech wyjść dla RST? Nie wystarczy jedno? Podobnie dla SCK?
Z góry dziękuję za wszelką pomoc i informacje na ten temat.