logo elektroda
logo elektroda
X
logo elektroda
REKLAMA
REKLAMA
Adblock/uBlockOrigin/AdGuard mogą powodować znikanie niektórych postów z powodu nowej reguły.

Głośniki sony dobór wzmacniacza

henryxxl 17 Lut 2010 12:14 3052 7
REKLAMA
  • #1 7707538
    henryxxl
    Poziom 26  
    Witam.
    Mam oto takie głośniki.Dwa.
    Głośniki sony dobór wzmacniacza Głośniki sony dobór wzmacniacza
    Chcę zrobić do nich wzmacniacz ale nie jest pewien jakiej mocy są, wieża do której były podłączone miała napisane 110w ale jak wiadomo tyle na pewno nie miała wiec proszę o podrzucenie pomysły wzmacniacz do takich głośników jak i napisania jaka moc mają rzeczywistą. Dodam jeszcze że mama 100zł na to i transformator jak i obudowa nie wlicza się w koszt.
    Pozdrawiam:)
  • REKLAMA
  • #2 7707670
    Tomq
    Poziom 38  
    Właściwie każdy wzmacniacz się nada jeśli nie będziesz przesadzał z mocą. Dlatego chyba lepiej zrobić od razu porządny wzmacniacz, bo z czasem na pewno zechcesz wymienić te kolumny na lepsze. Może więc teraz nie wykorzystasz więcej niż kilka % mocy takiego wzmacniacza, ale będzie to przyszłościowa inwestycja.

    Z konstrukcji DIY można polecić:
    - układy scalone LM38886 (i wzmacniacz na nich "Gain Clone")
    -wzmacniacz na tranzystorach "SymaSym"
    -wzmacniacz na tranzystorach "UniAmp" (http://diyaudio.pl/portal.php?show=32 )


    Jeżeli natomiast chodzi CI o wzmacniacz po te konkretne głośniki, to pewnie wystarczy taki oparty na kostkach tda 1554 (2 x 22W)
  • REKLAMA
  • #4 7707789
    Konto nie istnieje
    Konto nie istnieje  
  • REKLAMA
  • #5 7708499
    Taenia_Saginata
    Poziom 31  
    henryxxl napisał:
    Wybiorę wzmacniacz na przyszłość z podane przez Ciebie wzmacniacz jest interesujący lecz chciałbym się dowiedzieć co byś wybrał (jaki wzmacniacz) bo widzę że rozmawiam z profesjonalistą:)


    Pisałeś wcześniej że transformatora w koszty nie wliczasz. To znaczy, że już jakiś masz? Jeśli tak to napisz jaki.

    Porządny wzmacniacz to fajna sprawa, nawet do takich głośników. Tylko nie wiem czy ci to 100zł starczy. Nawet jak będziesz na tanich elementach robił to jest tam trochę kosztownych rzeczy. Trzeba radiatory kupić jakieś porządne, duże kondensatory do zasilacza to też sporawe koszty. Do tego płytki, tranzystory i reszta drobnicy, jakieś wysyłki i może być trochę ciasno w takim budżecie.
  • REKLAMA
  • #6 7708586
    Tomq
    Poziom 38  
    Jak koledzy wyżej napisali, koszt wzmacniacz to nie tylko same układy scalone tranzystory i elementy bierne, ale też masa innych rzeczy które potrafią nieźle szarpnąć po kieszeni (żeby daleko nie szukać, za 4 gniazda bananowe dałem 20 zł, a to już 1/5 budżetu jakim dysponujesz). Zawsze można jednak budowę rozłożyć w czasie, przecież wzmacniacz zagra choćby i tak złożony:
    Głośniki sony dobór wzmacniacza

    O w/w propozycjach: http://diyaudio.pl/viewtopic.php?t=18122&highlight=symasym+uniamp



    Ja i profesjonalista - ;)
  • #7 7708782
    henryxxl
    Poziom 26  
    Radiatory też mam wszystko z odzysku kondensatory do zasilania też się znajdzie a co do transformatorów to mam 12v, 26v i z mikrofali ale nie pamiętam dokładnie natomiast wiem ze jest symetryczny. Ja w koszty wliczam tylko płytkę i elementy na płytce resztę mam z odzysku.
    Jakie największe moce można uzyskać z zasilania nie symetrycznego?
    A jak nie będą pasowały to się przewinie transformator.
    Myślę o wzmacniaczu na tranzystorach bo na tda to nie takie brzmienie.
    Najlepiej żeby wszystkie propozycję były jeszcze dzisiaj podane dlatego ze jutro jadę do miasta a mam 24km.
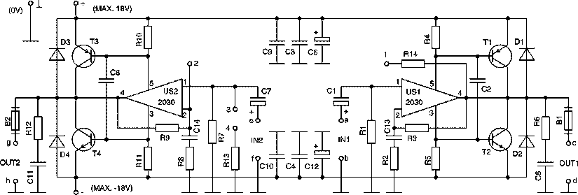
  • #8 7713254
    henryxxl
    Poziom 26  
    Wybrałem kit ne078 to znaczy tylko schemat wszystko robię sam, byłem w sklepie elektronicznym i nie była takich tranzystorów jak na schemacie ale sprzedawczyni dała mi zamienniki
    oryginalnie bdx54c zamiennik bdw94c
    oryginalnie bdx53c zamiennik bdw93c Czy to dobre zamienniki? Zamiast tda2030 dostałem tda2030a a według noty katalogowej jest odporny na większe napięcie.
    Schemat.Głośniki sony dobór wzmacniacza

    T1,3 BDX54C
    T2,4 BDX53C
    Us1, 2 TDA2030
REKLAMA