Witam. Stworzyłem miernik na podstawie schematu który ukazał się na forum (projekt z zagranicy). Zrobiłem już płytkę, zresztą cały miernik już zrobiłem lecz pozostała kwestia zaprogramowania uC ( Atmega8) Na stronie projektu konstruktor zamieścił jakieś 3 załączniki w języku C i jest problem ponieważ nie wiem który wgrać ( nie znam języka C ! ). Proszę o osoby znające się o przeglądnięcie tych plików, a zarazem o pomoc mi w rozwiązaniu problemu.
Miernik ukazany na elektrodzie:
https://www.elektroda.pl/rtvforum/topic1470957.html
Źródło projektu ze wsadem do uC (na samym dole pliki do ściągnięcia):
http://pontoppidan.info/lars/index.php?proj=capmeter&page=2
___
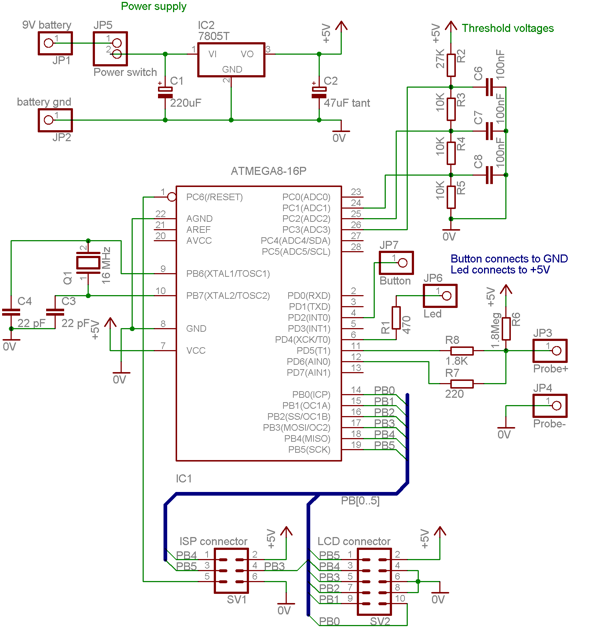
Czy rezystor R6 o wartości 1,8MOhm mogę zastąpić dwoma rezystorami połączonymi szeregowo o wartości 1MOhm?

Miernik ukazany na elektrodzie:
https://www.elektroda.pl/rtvforum/topic1470957.html
Źródło projektu ze wsadem do uC (na samym dole pliki do ściągnięcia):
http://pontoppidan.info/lars/index.php?proj=capmeter&page=2
___
Czy rezystor R6 o wartości 1,8MOhm mogę zastąpić dwoma rezystorami połączonymi szeregowo o wartości 1MOhm?