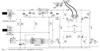
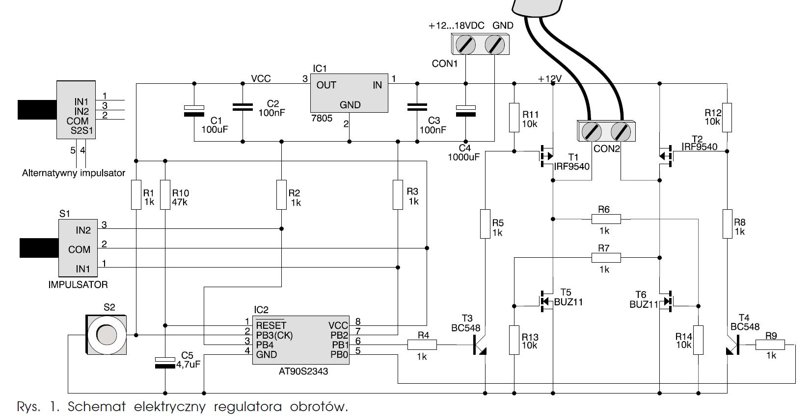
Witam,
Chcę wykorzystać sprzętowy tryb PWM poprawnej fazy Timer0 do regulacji prędkości obrotów oraz kierunku obrotów silnika DC. Nie
wiem, jaka będzie najlepsza częstotliwość??
W datasheet znalazłem wzór: f=f_kwarcu/(N*510) ; N-wartość preskalera
W moim przypadku kwarc = 16MHz.
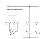
Silnik wymontowałem z starego magnetowidu. Parametry nie są określone
Chcę wykorzystać sprzętowy tryb PWM poprawnej fazy Timer0 do regulacji prędkości obrotów oraz kierunku obrotów silnika DC. Nie
wiem, jaka będzie najlepsza częstotliwość??
W datasheet znalazłem wzór: f=f_kwarcu/(N*510) ; N-wartość preskalera
W moim przypadku kwarc = 16MHz.
Silnik wymontowałem z starego magnetowidu. Parametry nie są określone