logo elektroda
logo elektroda
X
logo elektroda
REKLAMA
REKLAMA
Adblock/uBlockOrigin/AdGuard mogą powodować znikanie niektórych postów z powodu nowej reguły.

FOCAL Polyglass 33 V 2x6ohm czy poleci na 4ohm z mostka

scorpio80 23 Lut 2010 22:01 1470 4
REKLAMA
  • #1 7741102
    scorpio80
    Poziom 12  
    Witam. Pytanie jak w temacie. Głośnik jak się okazuje jest 2 x 6 ohm, co daje 3 ohmy równolegle. Mój wzmacniacz to Chrunch GP 1100.2 550RMS/4R mostek. Napiszcie swoje doświadczenia z podłączaniem niższych impedancji niż założone, czy taki zestaw zagra, czy założyć, że nie ma szans. Tylko nadmienię, że wzmacniacz był naprawiany (nie wiem co dokładnie było robione), także nie jest to już nówka sztuka oryginał.
  • REKLAMA
  • #2 7741444
    mskojon
    Poziom 31  
    Ciężko powiedzieć, być może będzie się bardziej grzał, a może się spali. Tym bardziej że głośnik ma dość niskie Re bo 2.6ohm więc wzmacniacz na pewno dostanie po dupie. Lepiej poszukaj czegoś stabilnego do 2R bo ryzykujesz ponownym uwaleniem wzmacniacza.
  • REKLAMA
  • #3 7742886
    bambino_81
    Poziom 24  
    Witam.Ja miałem jakieś pół roku podłączonego sonica 15 2x2 ohmy pod JBLa gto 1201 na 1 ohma:D Wzmacniacz dawał radę bez problemu,nic się nie działo i nawet nie grzał się mocno.Niby wzmak nie stabilny przy 1 ohmie ale u mnie grał.Po sprzedazy w/w sprzętu następny własciciel spalił głośnik ale nie wzmacniacz.W sumie nie zaleca się podłaczanie tak jak ja miałem ale u mnie wszystko było ok.Niewiem jak może byc u ciebie ale jakoś bym nie ryzykował szczególnie że był już naprawiany i nawet nie wiadomo co było naprawiane.Szkoda ponosić póżniej kolejnych kosztów jak się spali.Lepiej sprzedac i kupić coś pod ten głosnik.Takie jest moje zdanie
  • REKLAMA
  • #4 7743278
    scorpio80
    Poziom 12  
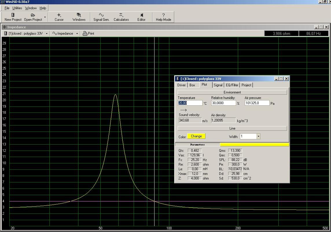
    Myślę, że będę rezygnował z takiego połączenia. Nie musi, ale może być niebezpieczne dla wzmacniacza. Jako że jestem dociekliwy, i wykresy też bardzo lubię, to zerknijcie jeszcze na obrazek poniżej:
    FOCAL Polyglass 33 V 2x6ohm czy poleci na 4ohm z mostka

    Wykres pokazuje impedancję głośnika w założonej obudowie (30L/Closed). Między ok 37 a 86 Hz impedancja jest powyżej 4R, co wtedy widzi wzmacniacz?
  • Pomocny post
    #5 7743933
    ukashec
    Poziom 22  
    Widzi tę impedancję, o ile wierzyć w ten wykres.
    Ale wiedz, że poniżej 30Hz i powyżej 100Hz też jest pełno sygnałów w dźwięku.
    Poza tym wzmacniacz musi przyjąć na siebie i stłumić napięcia wyindukowane w cewce przy częstotliwości rezonansowej, więc wcale tak lekko nie ma.
REKLAMA