logo elektroda
logo elektroda
X
logo elektroda
REKLAMA
REKLAMA
Adblock/uBlockOrigin/AdGuard mogą powodować znikanie niektórych postów z powodu nowej reguły.

regulacja temperatury sciemniaczem

Witalis 26 Lut 2010 22:24 2249 5
REKLAMA
  • #1 7755864
    Witalis
    Poziom 9  
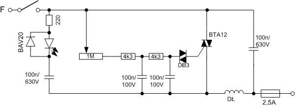
    Witam, podaje schemat ściemniacza bez dławika.
    regulacja temperatury sciemniaczem Posiadam środek od suszarki, który składa się z drutu oporowego, diody prostowniczej, kondensatora i przełącznika sieciowego 110/230, standardowa budowa suszarki bez wentylatora i termostatu. Moje pytanie brzmi czy takim ściemniaczem mógłbym regulować temperaturę? Czy może ktoś ma inny pomysł?

    Zdania rozpoczynamy wielką literą, a kończymy?
    Proszę to poprawić.
    Wpis moderacyjny dotyczy wszystkich piszących w temacie!
    Nie kasować wpisów moderacyjnych!
    [_P_]
  • REKLAMA
  • Pomocny post
    #2 7760467
    kierbedz4
    Poziom 36  
    Bez dławika ściemniacz będzie wprowadzał duże zakłócenia w sieci energetycznej.Wykonany w ten sposób ściemniacz służył do regulacji oświetlenia w akwarium siał zakłócenia poprzez kable energetyczne na długości około 150 m od budynku na paśmie długofalowym.Po zgłoszeniu energetykom za pomocą przenośnego radia doszli wprost do szafki licznikowej budynku i namierzyli nieszczęśnika poprzez wyłączanie poszczególnych mieszkań z pod napięcia.
  • REKLAMA
  • #3 7760882
    Witalis
    Poziom 9  
    Witam, a więc do takiego ściemniacz dodać młot pnumatyczny i sąsiedzi będą sie czuli jak w Jumanji :D . Więc dławik to taki zawór zwrotny, który zapobiega cofaniu sie do sieci regulowanemu pradowi. dobrze rozumiem?
    Jesli więc wstawie dławik to będzie ten schemat nadawał sie do sterowania temperaturą?
  • REKLAMA
  • Pomocny post
    #4 7762433
    kierbedz4
    Poziom 36  
    Tak.Będzie się nadawał.Zamontowany dławik w ściemniaczu zapobiega skutecznie przedostawaniu się do sieci zakłóceń z tytułu pracy triaka w ściemniaczu który może mieć więcej zastosowań.

    Spacje!
    [_P_]
  • REKLAMA
  • #5 7763806
    Witalis
    Poziom 9  
    Miło słyszeć że pomysł może być trafiony. Czy na schemacie dobrze go umieściłem?
    regulacja temperatury sciemniaczem
    i teraz wartość dławika, hmm tu mam problem. Czy ten będzie się nadawał?
    regulacja temperatury sciemniaczem
    Jest to: Dławik przeciwzakłóceniowy 100uH 6A 65 mOhm
    Co o tym myślicie?

    Dodano po 11 [minuty]:

    Czy sprawniejszy by był dławik przeciwzakłóceniowy DPU 68uH 1A 0,077 Ohm?
    regulacja temperatury sciemniaczem
    Czy też bezpiecznik bedzie msiał być zmieniony?
  • Pomocny post
    #6 7822593
    Majster
    Poziom 14  
    Szanowny Kolego!
    Rola dławika nie polega na ograniczeniu powrotu prądu do sieci lecz powoduje on ograniczenie stromości narastania prądu w momencie załączenia triaka. Zmniejszenie stromości powoduje mniejszą emisje zakłóceń radioelektycznych. Zakłócenia radiowe generują się poprzez sieć oraz działanie antenowe elektroniki. W każdym przypadku większa indukcyjność jest korzystna. Niestety w momencie wyłączana triaka powstają przepięcia proporcjonalne do tej indukcyjności.
    Robi się indukcyjośność dzieloną w obu przewodach i osobiscie zalecam filtr LC od strony sieci np Miflex Na końcu sprawdzić starym radioodbiornikiem jak nadaje to urządzenie.

    Pozdrawiam
REKLAMA