logo elektroda
logo elektroda
X
logo elektroda
REKLAMA
REKLAMA
Adblock/uBlockOrigin/AdGuard mogą powodować znikanie niektórych postów z powodu nowej reguły.

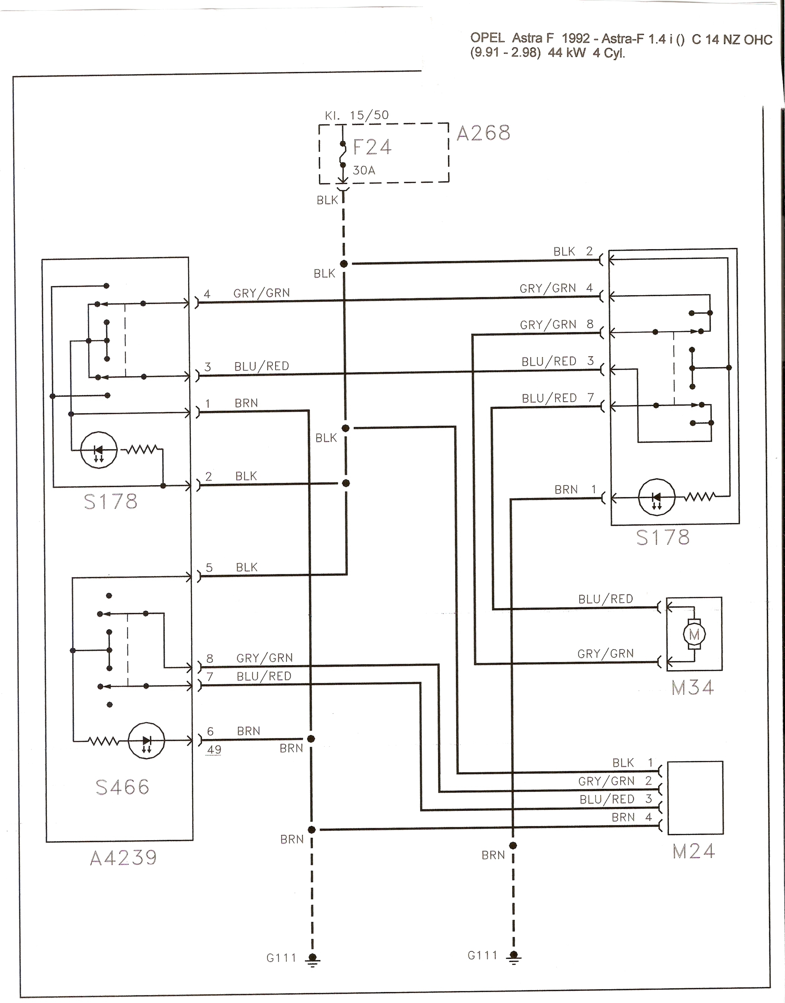
Astra F uszkodzenie elektrycznych szyb.

stawpol2 28 Lut 2010 10:15 2785 2
REKLAMA
  • #1 7762053
    stawpol2
    Poziom 13  
    Witam wszystkich przeszukałem forum przy pomocy opcji " szukaj" i nie znalazłem podobnego problemu jak mój,otóż mam astre f rocznik 96 wersja zmontowana w gliwicach,ma na wyposażeniu elektryczne szyby,ale jak wiadomo jakość właczników w astrach jest słaba i w moim modelu również zawiódł,i teraz sedno sprawy mój włacznik wygląda inaczej niż wszystkie włączniki które są na allegro!!!mój włacznik jest wlutowany w płytke drukowaną i takich wersji na allegro nie ma!!z mojego włacznika wychodzi 6 pinów a w tych na allegro 8 więc opcja na chybił trafił odpada,czy może ktoś z szanownych kolegów miałby pomysł jak przeszczepić taki włącznik żeby te szyby działały?( kolory kabelków lub coś podobnego)nadmieniam iz szyba od pasażera działa.
  • REKLAMA
  • #3 7946239
    stawpol2
    Poziom 13  
    dzięki spróbuję jakoś to rozgryść
REKLAMA