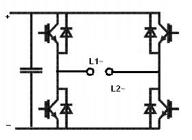
Czy jest ktoś w stanie mi powiedzieć dlaczego układ ze schematu pali mosfeta na dole po prawej?
Jest to falownik mogący pracować równolegle z siecią elektryczną. Układ posiada miękki start i regulację napięcia stałego. Nie zawarłem ich na schemacie gdyż ta cześć działa prawidłowo. Układ pali tranzystor przy przekroczeniu mocy wyjściowej 50W. Mosfety są na napięcie 600V i prąd 20A. Z góry przepraszam za jakość schematu i ewentualne błędy, gdyż był on rysowany z płytki gotowego układu. Co do wartości kondensatorów i diod zennera to nic mi nie wiadomo.
Za pomoc prowadzącą do rozwiązania problemu daje 100pkt i dobre słowo:)
Jest to falownik mogący pracować równolegle z siecią elektryczną. Układ posiada miękki start i regulację napięcia stałego. Nie zawarłem ich na schemacie gdyż ta cześć działa prawidłowo. Układ pali tranzystor przy przekroczeniu mocy wyjściowej 50W. Mosfety są na napięcie 600V i prąd 20A. Z góry przepraszam za jakość schematu i ewentualne błędy, gdyż był on rysowany z płytki gotowego układu. Co do wartości kondensatorów i diod zennera to nic mi nie wiadomo.
Za pomoc prowadzącą do rozwiązania problemu daje 100pkt i dobre słowo:)
