logo elektroda
logo elektroda
X
logo elektroda
Adblock/uBlockOrigin/AdGuard mogą powodować znikanie niektórych postów z powodu nowej reguły.

Fiat Panda Selecta 1.1 95r problem z automatyczną skrzynią

Marcin_ca1 03 Mar 2010 16:21 7897 27
  • #1 7778198
    Marcin_ca1
    Poziom 22  
    Witam
    Problem jest z wyżej wymienionym aucie, a mianowicie z jego skrzynią w ktorej siedzi elektromagnetyczne sprzęgło i to z nim jest właśnie problem.

    Sprzęgło pali tranzystory w sterowniku oryginały to 2SB1020 i 2SC4024 zamiast nich wkladalem zamienniki BD 950, BD 945 i zamiast drugiego BDW93C, lecz one też po paru metrach jazdy leciały z dymem.

    Mam już zamówione oryginalne, lecz wydaje mi sie ze problem leży po stronie sprzęgła, które było rozbierane. Ze sprzęgła wylecialo troche bialego proszku, ktory po nie znalezieniu zadnych nieprawidłowości został wsypany spowrotem, było go ok pół garści.

    Samochód po wymianie tranzystorów ruszał bardzo "mułowato" i po paru metrach palil tranzystory.

    Wydaje mi sie być wina proszku w sprzęgle, którego być może jest za mało.
    Co to za proszek tam jest, gdzie można taki znaleść??

    Z góry dziękuję za odp i pozdrawiam
  • #2 15214651
    moonchild
    Poziom 14  
    Dziękuję za przypadkowe naprowadzenie mnie na trop! Mam Punto Selecta z 1996r z taka samą skrzynią tylko z silnikiem 1,2 60KM. Właśnie miałem najpierw problem chyba ze sprzęgłem bo po dopaleniu i zapięciu biegu (D, L lub R) było ŁUP i silnik gasł. Po kilkunastu takich łupnięciach pchnąłem auto z górki i zapiąłem bieg w czasie toczenia się. O dziwo zatrybił i jeździł normalnie. Niestety po 15 km zdechł. Poczułem swąd z centralki.
    Kupiłem inną(trafiła się na alledrogo) i auto znów ożyło. I znów zrobiło dokładnie 15km i w tym samym miejscu na drodze padło. Znów coś się zjarało w centralce. Niestety nie umiem powiedzieć co. Nikt tego nie chce naprawić a dodatkowo tych centralek nie ma już nigdzie! Od 2 miesięcy ryję cały internet, wszystkie fora, szroty, sklepy... nic.
    Mam dwie takie centralki. Wiem, że Panda Selecta ma nieco inną ale tam też były dwa typy centralek. Jedna do monowtrysku BOSCH Monojetronic (do roku 1994) i druga do monowtrysku IAW 6F / 16F, którą zapewne ma Pan.
    Czy mógłby mi Pan zrobić zdjęcie wnętrza pańskiej centralki. Może ma takie same flaki i może dojdę co się w mojej upaliło.
    N aponiższym zdjęciu widać 3 centralki. Od lewej Panda / Lancia Y10 (Bosch), w środku Punto 60 Selecta a po prawej Nissan Micra K11.
    Fiat Panda Selecta 1.1 95r problem z automatyczną skrzynią Fiat Panda Selecta 1.1 95r problem z automatyczną skrzynią Fiat Panda Selecta 1.1 95r problem z automatyczną skrzynią Fiat Panda Selecta 1.1 95r problem z automatyczną skrzynią

    Jedyna centralka którą znalazłem w sieci a która ma identyczną kostkę łączeniową pochodzi od Subaru Justry ecvt z silnikiem 1,2 ... tyle, że to inny silnik..
    Ciekawe czy by podeszła...

    Fiat Panda Selecta 1.1 95r problem z automatyczną skrzynią Fiat Panda Selecta 1.1 95r problem z automatyczną skrzynią


    Co zaś się tyczy Pandy to jak pisałem były w niej dwa typy centralek. Starszy typ dla monowtrysku BOSCH Monojetronic ( zielona wtyczka) i młodszy typ dla monowtrsyków IAW 6F/16F (biała wtyczka) która ma pół wtyczki takiej samej jak w moim Punto.. ;-)

    Fiat Panda Selecta 1.1 95r problem z automatyczną skrzynią Fiat Panda Selecta 1.1 95r problem z automatyczną skrzynią
  • #3 15215365
    tzok
    Moderator Samochody
    Przy tranzystorach prawdopodobnie są też diody gaszące, je również należy sprawdzić i wymienić. Niestety na Twoich zdjęciach nie widać tych tranzystorów, ale pewnie nic nie będzie widać, trzeba wziąć miernik i pomierzyć. Jeśli pali tranzystory sterujące to jest to wina samego sprzęgła.
  • #4 15215549
    moonchild
    Poziom 14  
    Ano właśnie się zaparłem i całą noc siedziałem. Dzięki temu naprowadzeniu znalazłem prawdopodobnie to co się upaliło. Upalił się tranzystor B1020 z dopiskiem 5A. Czy ten dopisek jest ważny nie wiem.
    Wygląda on tak:

    Fiat Panda Selecta 1.1 95r problem z automatyczną skrzynią

    Fiat Panda Selecta 1.1 95r problem z automatyczną skrzynią

    W centralce Nissana Micry jest taki sam tranzystor (na oko) ale dopisek brzmi 4H. Wygląda tak (ładny nie spalony!):

    Fiat Panda Selecta 1.1 95r problem z automatyczną skrzynią



    W centralce Pandy/Y10 też jest tranzystor B1020 ale ma kolor zielony i dopisek '0F
    Wygląda tak:

    Fiat Panda Selecta 1.1 95r problem z automatyczną skrzynią


    Co do wspomnianych przez Ciebie diod to jak na razie pojęcia nie mam gdzie one mogą być. Okolica tego tranzystora nie jest popalona. Wygląda ładnie.

    Fiat Panda Selecta 1.1 95r problem z automatyczną skrzynią Fiat Panda Selecta 1.1 95r problem z automatyczną skrzynią


    Mam dwie centralki do Punto. Obie upalone. Druga jest u kolegi ale póki co nie mogę się z nim skontaktować. Mam nadzieję, że i w tej drugiej centralce upalony będzie ten sam tranzystor... Będzie potwierdzony ślad!

    Najgorsze chyba jest to, że tranzystorów B1020 (mniejsza o dopisek) w zasadzie nie da się kupić. W każdym razie w polskim internecie nie znalazłem. Porównywalne kosztują grosze! od złotówki do 10 zł,- ! Masakra! Stąd właśnie moje pytanie o te dopiski. Jeśli nie znajdę nowego to wylutuję z centralki od Micry, mogę też kupić centralkę od Punto II (tego jest w bród).

    Mam nadzieję, że to tylko ten tranzystor się zjarał. Jeśli tak to centralkę mam ogarniętą. Niestety wciąż pozostanie powód upalania tego tranzystora. Coś daje zwarcie... albo za duży prąd. Mam już schemat podłączeń tej centralki do reszty auta i pewnie dojdę co do czego idzie.
  • #5 15215672
    tzok
    Moderator Samochody
    Ten tranzystor ma wbudowaną diodę gaszącą, dlatego nie ma jej oddzielnie. To 2SB1020 (P-DARL+DI 100V 7A 30W TO-220). Dopisek nie ma znaczenia. Można go kupić w Polsce, koszt ok 6zł, np.: http://dartelektronik.eu/2sb1020-1103i

    Sprawdź jeszcze czy któraś z jego elektrod nie łączy się bezpośrednio ze złączem sterownika.
  • #7 15218285
    tzok
    Moderator Samochody
    Zapewne w Diaksie, może być, obudowa to na pewno błąd w opisie, TO-92 to malutka obudowa, która nie wytrzyma 40W, a jej wyprowadzenia 7A. Ma się zgadzać oznaczenie, czyli 2SB1020.
  • #8 15218556
    moonchild
    Poziom 14  
    Nie. e .;..

    Firma się tak nazywa:

    Eda Plus Elektronika Krzysztof Perz
    ul. Kwiatowa 9
    61-882 Poznań
    nip 782-201-99-11

    Facet odpisał mi co następuje:

    Witam
    na stanie posiadam 6szt cena 7zł brutto 1szt koszt wysyłki po przedpłacie 11,50zł (wysyłka mini paczką priorytet), oznaczenie 5A to seria moje mają 4K , 51
    pozdrawiam
    Krzysztof Perz

    No i teraz nie wiem... brać,. nie brać... ? Zanim znajdę błąd w aucie, który powoduje upalanie tego tranzystorka może ich być potrzebny cały tuzin.. ;-) Nie jestem zbytnim elektronikiem (choć szybko się uczę ;-) ) i czeka mnie krótka albo bardzo długa szukajka... Wolę się zawczasu zaopatrzyć w to co potrzebne, żeby [otem roboty nie przerywać na czekanie na przesyłki... Zakładam, że to tylko ten tranzystor się upalił.

    Co radzisz..??

    Dodano po 18 [minuty]:

    Gość z tego sklepu proponuje mi takie - mówi, że to jest to samo.. ale mi się wydaje, że chyba jednak nie do końca... zobacz proszę...

    TRANZ.2SB1020 SI-P-DARL+Di 100V 7A 40W
    różnice: SI i 40W

    Na temat obudowy nic nie pisze ale wysłałem mu zdjęcie tego upalonego i on mówi, że to jest to samo.

    Dodano po 8 [minuty]:

    DAIX mają przecenione ale takie:

    2SB1020-P-DARL.+D-100V-7A-40W-B-6000 obudowa TO92

    zadzwonię do nich...
  • #9 15218860
    tzok
    Moderator Samochody
    moonchild napisał:
    Gość z tego sklepu proponuje mi takie - mówi, że to jest to samo.. ale mi się wydaje, że chyba jednak nie do końca... zobacz proszę...

    TRANZ.2SB1020 SI-P-DARL+Di 100V 7A 40W
    różnice: SI i 40W
    To samo, Si oznacza że krzemowy (innych nie ma). Moc może się różnić w zależności od producenta i izolacji wkładki.
  • #10 15218978
    moonchild
    Poziom 14  
    No i finalnie kupiłem w DIAXie 6 sztuk. Ostatnie jakie mieli.. ;-) ale za to po 2,50 zł,-
    Jak gdzieś jeszcze trafię to kupię... ;-)
    Facet też powiedział mi , że to jest to samo. Miałeś rację - obudowa TO-98 to pomyłka w druku i jest taka jak trzeba czyli TO-220.

    Jak dostane wlutuje i zobaczymy czy zaoszczędziłem kuuupę kasy.
  • #12 15219103
    moonchild
    Poziom 14  
    No wieeem... ale w moim przypadku i przy moim "wieeelkim" doświadczeniu z elektroniką samochodową (przypominam że Punto I to dla mnie kosmos elektroniczny bo na co dzień obsługuję Zastavę 750, Fiata 5oo, Fiata 9oo a najbardziej rozbudowana jest Panda z 93r którą miałeś okazję poznać.. ;-) )
    Dlatego właśnie kupuję dużo tych tranzystorków bo wiem, że na jednym komplecie się nie skończy.. Będę dłubać do upadłego ale znajdę.

    Jak pisałem, zakładam, że to tylko ten jeden tranzystor unieruchomił auto.

    Problem z jego spaleniem wiążę :

    a) ze sprzęgłem elektromagnetycznym - bo pisałem że strzelało i coś się ewidentnie z nim działo we wrześniu.

    b) z zalaniem wodą z klimy wentylatora i jego osprzętu - chodzi na 4 biegu tylko... czyli coś pojarało i gdzieś może być zwora...

    c) dziwnym wypadającym bezpiecznikiem wpiętym w skrzynce bezpieczników. Nie jest to samoróbka - jakby bezpiecznik z którego wychodzą dwa przewody i gdzieś idą.. Jego wyjęcie skutkowało niewłączaniem się wentylatora chłodnicy.

    d) dodatkami montowanymi przez właścicieli poprzednich czyli Webasto, jakiejś centralki telefonii komórkowej oraz LPG.

    Najpierw jednak wymiana tranzystora. Jeśli auto drgnie i ruszy z miejsca w przód i w tył na D, L i R to wtedy rozpocznę szukajkę powodu.
  • #13 15229685
    moonchild
    Poziom 14  
    Dziś dotarły Tranzystorki. Wlutowałem jeden. Nie wiem jeszcze czy działa bo jest 3 w nocy i już jutro sprawdzę czy to jedyna spalona rzecz w centralce.

    Przy okazji rozkminiłem piny tego tranzystora. No i chyba mamy winowajcę palenia tranzystora.

    Fiat Panda Selecta 1.1 95r problem z automatyczną skrzynią


    Mamy tu 3 piny.

    Pin 1 tranzystora (środkowy) ma bezpośrednie połączenie z dwoma pinami dużej kostki szyny łączeniowej (oba piszczą sprawdzając miernikiem a na innych niektórych są różne impedancje) i dalej idąc po schemacie jeden idzie do "lampki awarii skrzyni biegów" w zegarach (ciekawe czemu się nie świeci skoro jest awaria ??) i dalej z lampki do skrzynki bezpieczników (też jest podejrzana !) gdzie przechodzi przez przekaźnik i dalej idzie do przełącznika pod kierownicą i dalej do włącznika zapłonu (mniemam zatem, że to jest + po stacyjce) a drugi do "czujnika prędkości jazdy samochodu" (szczerze mówiąc nie wiem co to i gdzie jest) i dalej wraca do modułu na inny pin.

    Pin 2 tranzystora jest zaś skojarzony ze ścieżką, która ma bezpośrednie połączenie z dwoma pinami w małej kostce szyny łączeniowej modułu (oba piszczą sprawdzając miernikiem a na innych niektórych są różne impedancje). Idąc dalej po schemacie elektrycznym Punto, jeden z tych pinów idzie do "gniazda diagnostycznego automatycznej skrzyni biegów" a drugi prosto do "czujnika magnetycznego na sprzęgle" co moim zdaniem oznacza że sprzęgło elektromagnetyczne jest uszkodzone !!! Były z nim kłopoty , to dziwne szarpanie i potem wymuszone działanie przez pych... Krótko potem padł moduł. Sprzęgło do wymiany. Na szczęście mam drugie - czy sprawne ? Czas pokaże.

    Pin 3 tranzystora nie jest bezpośrednio skojarzony z żadnym pinem kostek szyny przyłączeniowej modułu aczkolwiek na niektórych pinach pokazuje różne impedancje.

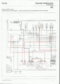
    Poniżej wrysowane w schemat Punto połączenia skojarzone z pinami tranzystora i opis.

    Fiat Panda Selecta 1.1 95r problem z automatyczną skrzynią Fiat Panda Selecta 1.1 95r problem z automatyczną skrzynią

    legenda:

    Fiat Panda Selecta 1.1 95r problem z automatyczną skrzynią Fiat Panda Selecta 1.1 95r problem z automatyczną skrzynią Fiat Panda Selecta 1.1 95r problem z automatyczną skrzynią


    Jutro zamontuję moduł i odpalę auto. Jeśli ruszy w tył i w przód to będzie bingo. Pozostanie tylko wymienić sprzęgło i w drogę... ! Oby!
  • #14 15230253
    tzok
    Moderator Samochody
    Tu masz chyba najistotniejszy obrazek...
    Fiat Panda Selecta 1.1 95r problem z automatyczną skrzynią

    Testowanie przejść testerem ciągłości ma sens gdy tester ma niższe napięcie probiercze niż napięcia przewodzenia złącz półprzewodnikowego elementów w układzie, w tym układzie niestety można się spodziewać złącz Shottky'ego, czyli 0,3V...

    Czujnik prędkości jazdy to impulsator na skrzyni biegów. Element z pytajnikiem to bezpiecznik.

    W/g Twoich oznaczeń pin 1 to kolektor, oczekiwałbym więc jego połączenia z elementem sterowanym (od strony plusa zasilania).

    Twój pin 2 to emiter, oczekiwałbym jego połączenia z plusem zasilania.

    Twój pin 3 to baza, czyli elektroda sterująca - oczekiwałbym połączenia z procesorem.

    Ew. pin 1 (kolektor) może być połączony z masą, a pin 2 (emiter) z elementem sterowanym od strony masy.
  • #18 15230492
    tzok
    Moderator Samochody
    Tranzystor pracujący w układzie wspólnego emitera, możesz rozumieć jako przekaźnik, natomiast w układzie wspólnego kolektora (wtórnika emiterowego) jako wzmacniacz prądu. W obydwu przypadkach baza jest elektrodą sterującą. Mały prąd bazy umożliwia przepływ znacznych prądów kolektora/emitera. Układ wspólnego emitera to sterowanie włącz/wyłącz (niskim napięciem i małym prądem można "otworzyć" tranzystor załączając odbiornik zasilany dużo wyższym napięciem i pobierający znaczny prąd), natomiast wspólnego kolektora - proporcjonalne (napięcie wyjściowe na emiterze jest w przybliżeniu równe napięciu sterującemu na bazie).

    Jeśli na prawdę chcesz się czegoś nauczyć to polecam cykl artykułów:
    http://elportal.pl/podstawy-elektroniki/ (w tym przypadku Tranzystory dla początkujących, zwłaszcza części od 12 do 15).
  • #19 15230513
    moonchild
    Poziom 14  
    Dziękuje! Będę chłonąć wiedzę! Zaczyna mnie to kręcić!

    Czyli skoro ten tranzystor odpowiada za wzmocnienie prądu (rozumiem, że płynne nie skokowe) to jasne jest jego skojarzenie z cewkami sprzęgła elektromagnetycznego. W zależności od położenia przepustnicy i prędkości pojazdu wzmacnia prąd podawany na cewki sprzęgła co skutkuje jego efektywnością... Dobrze kombinuję..??



    A po chwili.....



    Hahaaaa!!!!

    BINGO !!!!


    Auto jeździ w przód i w tył.

    Tranzystorek działa i jest OK ale.. się nagrzał nieco. Zapewne podczas dłuższej jazdy spaliłby się jak poprzedni.

    Czyli trop był dobry! Koledze od Pandy z tego postu należy się dobra flaszka za naprowadzenie. Szkoda, że już nie uczestniczy w tym poście.. ;-)

    Teraz szukajka powodu upalania tego tranzystora. Stawiam na sprzęgło proszkowe. W wielu publikacjach jest podawane jako przyczyna unieruchomienia tych aut i to zarówno Fiatów jak Nissanów czy Subaru. Słabe ogniwo tej konstrukcji. Zmienię sprzęgło i zobaczymy. To uszkodzone rozbiorę i niech sczeznę ale znajdę co je boli. Zaparłem się!

    Dzięki temu postowi zaoszczędziłem jak do tej pory minimum 1000zł,- bo tyle najmniej życzyła sobie jedna z nielicznych firm elektronicznych która w ogóle zechciała odpowiedzieć na problem. Nie wspomnę o pomyśle lawetowania auta do Nadarzyna gdzie taka naprawa poszłaby w tysiące !!!

    Jeszcze dla pewności diagnozy i działań zrobię te drugą centralkę. Jeśli zatrybi to mam mały sukcesik!
  • #20 15232603
    Marcin_ca1
    Poziom 22  
    Witam
    U mnie sytuacja skończyła się tak że zamontowaliśmy manualną skrzynię.
  • #21 15232605
    moonchild
    Poziom 14  
    Ooo Super, że się Pan odezwał!
    Wielka flaszka się Panu należy za mimowolne naprowadzenie mnie na ślad. Oba sterowniki naprawiłem. Walnięte jest sprzęgło. Mam drugie i czeka mnie teraz masa roboty z wymianą.. ale rozkminiłem to wszystko właśnie dzięki Panu!
    A czy zostało coś po tym automacie jeszcze..?? Skrzynia, sprzęgło,. koło zamachowe .. poszukuję zwłaszcza półosi do Selecty. Moduł też się przyda no i koniecznie majdrak z linkami. Mam 3 auta z ecvt. Pandę 1,1 Selecta, Lancię Y10 Selectronic i Punto Selecta.
  • #22 15233534
    tzok
    Moderator Samochody
    Tranzystor steruje prawdopodobnie jakimś odbiornikiem indukcyjnym - elektromagnesem. Może być tak, że pod wpływem drgań lub temperatury cewka elektromagnesu dostaje zwarcia międzyzwojeowego, co powoduje wzrost prądu płynącego w obwodzie i uszkodzenie tranzystora.

    Możesz spróbować dołożyć bezpiecznik szeregowo z elementem, którym steruje ten tranzystor. Prąd 5A powinien być odpowiedni. To nie usunie usterki, ale powinien się spalić bezpiecznik, zamiast tranzystora. Warunek sukcesu - powinien to być szybki bezpiecznik (czyli F5A), najlepiej ceramiczny, ale zwykły szklany, tzw. radiowy, powinien wystarczyć.
  • #23 15233546
    moonchild
    Poziom 14  
    No to druga centralka też trybi. Auto jedzie do przodu na obu biegach i do tyłu.

    Upala się tranzystor. Upalanie jest na 90% spowodowane wadą sprzęgła elektromagnetycznego.

    Przyniosłem jedno do mieszkania. Muszę sprawdzić je wg instrukcji Fiata. Miernik i jazda. Tylko musi się jeszcze nagrzać do 22*C. Na razie jest lodowate bo leżało w garażu.

    Fiat Panda Selecta 1.1 95r problem z automatyczną skrzynią
  • #25 15234269
    moonchild
    Poziom 14  
    Na razie będę badać "nowe" sprzęgło. To uszkodzone jest w aucie. Niezła masakra, żeby je wydłubać bo trzeba zwalać całą skrzynię a może i całość.
    Mam ciasny garaż i kanał w którym nie mogę wyprostować się pod autem. Podlewarować też nie da rady bo stop jest za niski... ;-) Muszę mieć co najmniej jedna osobę do pomocy bo ta skrzynia waży tyle co dwie zwykłe a trzeba ją bardzo delikatnie i umiejętnie odsunąć aby nie pękł cieniutki wałek napędu pompy oleju w skrzyni.
  • #26 15235516
    moonchild
    Poziom 14  
    Hmmm.. no i teraz nie wiem... Książka podaje, że impedancja miedzy pierścieniami na komutatorze sprzęgła proszkowego w temperaturze 20*C powinna mieć wartość od 2 do 4 Ohm. W sprzęgle puntowskim "nowym" czyli używanym kupionym razem z silnikiem i skrzynią w jednej całości (wszystko wizualnie w doskonałym stanie - silnik na 100% !) ma impedancję 2,5 (czasem 2,6 do 2,9 zależy od tego w którym miejscu dotknę bieżni komutatora) Ohma więc niby mieści się w normie. Mam też dwa inne proszkowe sprzęgła od Pandy / Lancii Y10. Nie pasują do Punto, są mniejsze i mają inny rozstaw śrub montażowych a także nieco inny kształt obudowy. Na jednym impedancji nie ma wcale - zatem jest popsute. Drugie zaś ma impedancję 3,1 (ale raz pokazało 2,7 a raz 3,6) Ohm - jest zapewne bdb.
    Nieco mnie martwi ta impedancja 2,5 Ohm. Czy nie za mało..? Może to już"dolna granica"..?
    Niestety żadnych sensownych publikacji na ten temat nie znalazłem ani na forach Nissana ani Fiata ani Subaru...
    Qrczę... jeśli to tendencja schyłkowa to trochę kiepsko to montować do auta. Sam nie wiem. To jest w pip roboty z tym rozbieraniem wszystkiego i wolałbym po założeniu przez jakiś czas tego nie powtarzać a najlepiej przez długi.. ;-)

    Fiat Panda Selecta 1.1 95r problem z automatyczną skrzynią
  • #27 15236048
    tzok
    Moderator Samochody
    2,5Ω jak najbardziej mieści się w granicach 2Ω..4Ω problem w tym, że auto jeździ, tranzystor nie pali się od razu, więc usterka występuje tylko chwilowo. Może po nagrzaniu, może pod wpływem wibracji. Tak na marginesie to mierzysz rezystancję, nie impedancję... 14,4V/2,5Ω = 5,8A - sporo, ale tranzystor wytrzymuje 7A. Chyba, że miernik nie pokazuje 0Ω, po zwarciu przewodów. Wtedy musisz odjąć to wskazanie od wyniku.
  • #28 15614878
    moonchild
    Poziom 14  
    No i wyjaśniło się wszystko! Długo to trwało bo zimą nie miałem ochoty się z tym babrać ale jak tylko nastały cieplejsze dni zmobilizowałem się i wraz z kolegą wydłubaliśmy z auta skrzynię biegów.

    Fiat Panda Selecta 1.1 95r problem z automatyczną skrzynią

    Fiat Panda Selecta 1.1 95r problem z automatyczną skrzynią

    Fiat Panda Selecta 1.1 95r problem z automatyczną skrzynią

    Fiat Panda Selecta 1.1 95r problem z automatyczną skrzynią



    Tak jak pisałem wyżej, samochód co równo 17km upalał tranzystor w centralce sterującej ecvt. Jak też widać na powyższych fotkach w obu centralkach (mam dwie na podmiankę!) zawsze był to ten sam tranzystor.

    Pytanie co go upalało...

    Po schematach wersji Selecta ciężko zdobytych u Fiata oraz z wnikliwego przeglądu obu ECU (miernik i 'szukajka' na nosa!) doszedłem, że tranzystor ten ma połączenie z dwoma pinami w kostce łączeniowej. Oba te piny są skojarzone z obwodem sprzęgła elektromagnetycznego.

    Sprzęgło zostało wyjęte, ogrzane w domu do 20*C i sprawdzone miernikiem. Rezystancja między pierścieniami komutatora wynosiła 2,3Ohm co odpowiada z dużym zapasem normie. Można śmiało stwierdzić, że jest ono jak nowe. Zbadałem też drugie sprzęgło pozyskane kiedyś wraz z całym zespołem napędowym takiego Punto (skrzynia i sprzęgło zostało na półce a silnik od roku siedzi w starej Pandzie). To drugie sprzęgło z udokumentowanym przebiegiem 32000km wykazało oporność 2,2Ohm więc także jest niemal nowe.
    Zakres tej oporności powinien mieścić się z granicach od 2 do 4 Ohm. A wiec oba sprzęgła "funkiel nówka".
    Co zatem powodowało zwarcie w obwodzie sprzęgła i upalanie tranzystora..??

    A to:

    Fiat Panda Selecta 1.1 95r problem z automatyczną skrzynią

    Fiat Panda Selecta 1.1 95r problem z automatyczną skrzynią


    To jest kawałek szczotki sprzęgła proszkowego, która z niewiadomych przyczyn się urwała lub ułamała, zapewne jeszcze w Niemczech, co było zapewne bezpośrednim powodem szybkiej i taniej sprzedaży tego auta. W Polsce wóz był z tego powodu raz w warsztacie jeszcze za poprzedniego właściciela od którego go odkupiłem. "Fachowcy" z AutoPlus w Gdańsku "naprawili szczotki" montując w szczotkotrzymaczu szczotkę dorabianą lub dopasowywaną od czegoś innego - może alternatora czy odkurzacza.. kto wie.. ?
    Wiedziałem o tej naprawie kupując auto, ba nawet dostałem od sprzedawcy kwitek z Fiata na tę okoliczność. Po miesiącu jazdy auto padło. Wymieniłem cały szczotkotrzymacz na oryginalny z tego zestawu co miał 32tyskm. Wóz ożył i jeździł bezawaryjnie do końca września 2015. Potem po raz pierwszy upalił centralkę.

    W jaki sposób owa ułamana szczotka paliła tranzystor w ECU...?

    Oto "ryj" skrzyni ecvt. Widoczny jest wałek sprzęgłowy oraz wałek napędu pompy oleju w skrzyni. Widoczna jest też obudowa (osłona) komutatora sprzęgła. i.. leżąca na jej dnie ułamana szczotka.

    Fiat Panda Selecta 1.1 95r problem z automatyczną skrzynią

    Fiat Panda Selecta 1.1 95r problem z automatyczną skrzynią


    Na szczotce widać wyraźne oszlifowania od czoła pierścienia komutatora sprzęgła. Na samym czole komutatora także widać wytarty szczotką ślad:

    Fiat Panda Selecta 1.1 95r problem z automatyczną skrzynią


    Szczotka dostała się miedzy czoło komutatora a osłonę i tarła w tym miejscu powodując okresowe (lub permanentne) zwarcie pierwszego pierścienia z masą!

    Fiat Panda Selecta 1.1 95r problem z automatyczną skrzynią

    Fiat Panda Selecta 1.1 95r problem z automatyczną skrzynią


    Szczotka ta leżała w osłonie komutatora od jakiegoś czasu i póki auto nie trafiło na ul. Sobieskiego gdzie mieszkam (jest to najbardziej dziurawa ulica w Gdańsku) nic się nie ujawniło. Prawdopodobnie na tych wybojach szczotka podskoczyła i przesunęła się w w miejsce z którego już wypaść nie mogła a trąc o czoło komutatora starła się do momentu w którym widoczny na niej wystający rant zaczął zwierać się z pierścieniem komutatora.. ! Zwarcie gotowe. Możliwe, że ostanie kilometry owa szczotka tarła już permanentnie a okres równy 17km drogi był czasem palenia się tranzystora w ECU.


    Po usunięciu "ciała obcego" z osłony komutatora sprzęgła, problem oczywiście znikł a samochód odzyskał wigor. Przejechałem już ponad 1000km je jestem w 101% pewien diagnozy i naprawy! Wspaniałe auto!

    Tym samym uważam problem za rozwiązany.

    Tematu proszę jednak nie zamykać, by pozostał otwarta dyskusją na ten temat. Podobne problemy mogą mieć właściciele zarówno wszelkich Fiatów i Lancii w wersjach Selecta / Selectronic jak też starszych Subaru Justy czy Nissanów Micra K10 i K11.
    Z przyjemnością pomogę jeśli takowe wystąpią.
REKLAMA