logo elektroda
logo elektroda
X
logo elektroda
REKLAMA
REKLAMA
Adblock/uBlockOrigin/AdGuard mogą powodować znikanie niektórych postów z powodu nowej reguły.

Opel vectra b-nie działają prawidłowo szyby elektryczne

pipciok1 06 Mar 2010 17:55 16660 25
REKLAMA
  • #1 7792245
    pipciok1
    Poziom 10  
    Cześć,potrzebuje pomocy z moją viki,moj problem wyglada tak ze nie dzialaja mi prawidłowo szyby elektryczne,opisze oco dokładnie biega:
    -mam 4×szyby elektryczne z tego przednie wogole nie reagują,tylnia lewa chodzi prawidłowo po przytrzymaniu przycisku ma pamiec i wszystko ok a prawa tylnia chodzi ale po puszczeniu przycisku od szyb staje i nie jedzie sama.(nie idzie jej zaprogramowac).
    Co ciekawego zauważyłem ze:
    -jak było wszystko ok z szybami to po zgaszeniu silnika i po otwarciu jakichkolwiek drzwi podswietlenie przyciskow od szyb jeszcze sie swieciło a po zamknieciu drzwi podswietlenie przyciskow zgasło(czyli wszystko było ok:D)
    A teraz jest inaczej:
    -po zgaszeniu silnika i po otwarciu drzwi podswietlenie gaśnie i nic nie mozna robic nawet z ta jedna dzialajaca szyba,tak jak by odcieto prad(tak powinno sie dziac po zamknieciu drzwi a nie przy otwartych) a po zamknieciu drzwi podswietlenie przyciskow od szyb swieci sie przez cały czas:((i wtedy dziala chociaz ta tylnia lewa szyba)
    Nie wiem czy to jakis sterownik bo nawet nie moge go znalesc,ale jesli wie ktoś coś na ten temat to bardzo prosze o pomoc
  • REKLAMA
  • #2 7793084
    mariuszolkusz
    Poziom 18  
    Sprawdż wiązkę kabli między słupkiem a drzwiami kierowcy.Dopisz czy szyby chcą sie programować .Pozdro.
  • #3 7793128
    pipciok1
    Poziom 10  
    ok jutro sprawdze te wiazke,chodzi ci o ta ktora jest miedzy drzwiami a samochodem(z takim czerwonym bodajrze elementem?),myslisz ze od zamykania drzwi cos sie ułamało?
    a co do programowania to tak jak wspomnialem ze tylko jedna szlo zaprogramowac(tylnia lewa) a reszte nie idzie.
  • #4 7793335
    przemek1982-25
    Poziom 19  
    jest jeszcze jedna mozliwosc jezeli masz dokladany alarm ze sterowaniem szyb mozliwe ze on sie wykrzaczyl jezeli takie cos posiadasz ze sterowaniem z pilota odetnij sterowanie od alarmu
  • #5 7793381
    pipciok1
    Poziom 10  
    wiesz co ja miałem alarm i popsul sie i go odłaczylem i chyba od tego czasu to zaczeło sie dziać ale nie jestem pewien,nie wiem moze by było trzeba cos zmostkowac od tej wtyczki od alarmu?????ogolnie pytałem sie ala fachowców o to ze jak odlaczylem alarm czy jest mozliwosc takiego przypadku,twierdzili ze alarm nie nic z tym wspolnego,jutro sprawdze te wiazke co kolega wczesniej kazał mi sprawdzic,jutro dam znac,jakby co to kazda pomoc mile widziana,dzieki:)
  • #6 7793407
    przemek1982-25
    Poziom 19  
    no to jezeli był z funkcja domykania szyb to mozliwe ze to jest twój pro
    blem zajedz do jakiegoś kumatego elektryka mozliwe ze jest zrobione ciecie na którymś kablu
  • REKLAMA
  • #7 7793409
    mariuszolkusz
    Poziom 18  
    Miałeś funkcję domykania szyb z pilota? (lub z kluczyka).
  • REKLAMA
  • #8 7793510
    pipciok1
    Poziom 10  
    tak miałem funkcję domykanie z pilota
  • #9 7794992
    Marcin B^77
    Poziom 14  
    A czy domykanie z kluczyka działa? przeważnie lecą kable na słupku lub wykładziną pod nogami kierowcy.
  • #10 7795133
    pipciok1
    Poziom 10  
    nie działa domykanie z kluczyka,chyba bez alarmu nie powinno działać,nie?
    posprawdzam dzisiaj wszystkie wasze mozliwosci i dam znac,z gory dzieki

    Dodano po 2 [godziny] 3 [minuty]:

    Wiec tak sprawdziłem dokładnie:domykanie szyb z kluczyka działa (sory za to wczesniej ze najpierw pisze a puzniej patrze) ale działa na ta jedna szybe,tylnia lewa co dobrze chodzi,patrzyłem na kable miedzy słupkiem a drzwiami kierowcy i jest ok,przy okazji przejade sie jeszcze do jakiegos speca ale jak narazie to brak kasy i za wasza pomoca sprubuje sam,prosze o kolejne pomysły,wszystkie mile widziane bo moje juz dawno sie wyczerpały.
  • #11 7796770
    Marcin B^77
    Poziom 14  
    Jak na słupku ok to podnieś wykładzine w nogach kierowcy.Powinna iść tam wiązka kabli od sterowania szyb i centralnego.
  • #12 7801073
    pipciok1
    Poziom 10  
    Wiec sprawdzałem te wiązkę kabli pod wycieraczka kierowcy i wszystko jest ok,
    proszę o inne możliwości:)
    Opel vectra b-nie działają prawidłowo szyby elektryczne

    Dodano po 5 [minuty]:

    to są zdjęcia tego zdemontowanego alarmu,może ktoś troszkę zna się na tym i jest wstanie mi napisać, które piny od wtyczki bym musiał zamostkowy (jeżeli w ogóle jest taka możliwość) żeby te szyby zaczęły działać poprawnie:)
    Opel vectra b-nie działają prawidłowo szyby elektryczne Opel vectra b-nie działają prawidłowo szyby elektryczne Opel vectra b-nie działają prawidłowo szyby elektryczne
    Moderowany przez Rycho T:

    Proszę zapoznać się z tym:
    https://www.elektroda.pl/rtvforum/topic997258.html

  • #13 7802106
    mariuszolkusz
    Poziom 18  
    Dla mnie wygląda to na fabryczny (OPEL 1996 ) alarm , powinien mieć czujniki ultradżwiękowe na środkowych słupkach drzwi. Co było z nim nie tak? Pozdro.
  • #14 7802162
    pipciok1
    Poziom 10  
    (alarm firmy CEL)tak ma czujniki,zdemontowałem go ponieważ dostała się na niego woda i zrobiła zwarcie,byłem u wachowców i stwierdzili,że nie opłaca się go robić i chciałbym sie dowiedzieć czy jest możliwość zmostkować jakieś piny od wtyczki,które naprawiłyby ten problem??
    bo wyżej kolega twierdzi,że jest możliwość,że jakiś kabel został cięty i szedł przez alarm
  • #15 7818968
    pipciok1
    Poziom 10  
    Widze ze wyczerpały sie mozliwosci:(jak by ktos wpadł na jakis pomysł to piszcie
    pozdro(ciagle mam ten problem)
  • REKLAMA
  • #16 7819425
    Marcin B^77
    Poziom 14  
    To chyba raczej nie jest wina alarmu bo on ma tylko opcje domykania szyb z pilota,daje krótki impuls na sterownik szyb.Usterki trzeba szukać w przewodach od sterowania szybami lub w samym sterowniku.
  • #17 7820765
    pipciok1
    Poziom 10  
    dzieki a mogl bys mi powiedziec gdzie znajde ten sterownik od szyb bo juz go szukalem i jakos mi to nie poszlo,z gory dziekuje:)
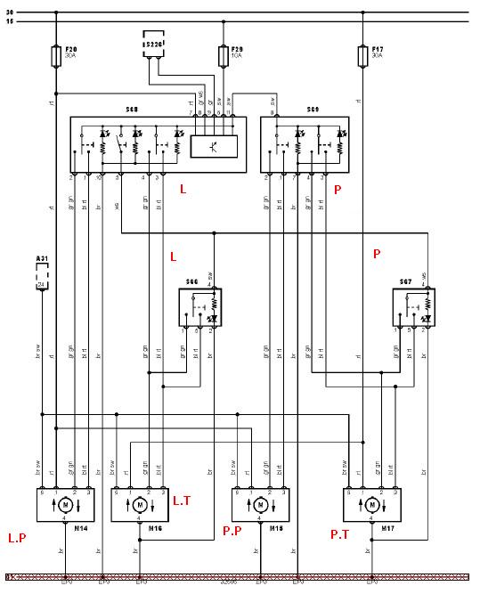
  • #19 7822067
    pipciok1
    Poziom 10  
    trochę nie widoczny ten schemat,jak wiedzcie dokładnie gdzie znajduję się ten sterownik to piszcie,dzięki
  • #20 7822160
    milejow
    Poziom 43  
    Lewy panel z przyciskami do sterowania szyb to jednocześnie sterownik
    Opel vectra b-nie działają prawidłowo szyby elektryczne Opel vectra b-nie działają prawidłowo szyby elektryczne
  • #21 7822430
    Marcin B^77
    Poziom 14  
    Kolego przecież w temacie który podałem jest napisane gdzie się zanajduje sterownik.Wystarczyło przeczytać.
  • #22 7825764
    pipciok1
    Poziom 10  
    dziekuje koledzy :)
  • #23 7849447
    pipciok1
    Poziom 10  
    wiec tak koledzy zmostkowalem dwa kable na lewym panelu sterowania do szyb i momentami "zaczely swiecic mocniej diody" i udalo mi sie zaprogramowac tylna prawa szybe, wiec tylnie szyby sa juz ok ale z przednimi nic mi sie nie udało zrobic:(,czy jest jeszcze jakis inny sterownik do szyb oprocz tego co jest w lewym panelu od przycisków???????)tylko nie piszcie mi nic o schematach bo rozumiem z nich tyle ze szok:)
  • #24 7849765
    milejow
    Poziom 43  
    Jak by był to widać by go było na schemacie
  • #25 7849870
    pipciok1
    Poziom 10  
    rozumiem ze nie ma,dzieki,pozdro
  • #26 7902194
    pipciok1
    Poziom 10  
    Wiec tylnie szyby dzialaja prawidlowo a przednie nie reaguja wcale,zalozylem dobry sterownik co znajduje sie w lewym panelu od szyb i reakcja jest taka sama co na starym sterowniku,wiec musi byc to cos innego...jak macie jakies pomysly to piszcie,z gory dziekuje:)Pozdro
REKLAMA