Witam:)
Zwracam się do Was drodzy Elektrodowicze z pytankiem odnośnie podłączenia wymienionych w temacie elementów (buzer, diody led oraz przekaźnik). Jestem na poziomie -1 z elektroniki więc proszę o w miarę łopatologiczne odpowiedzi:)
1.Czy atmega16 pociągnie wygenerowanie krótkiego sygnału przez przetwornik piezo (mam na samą tą blaszkę podłączona do np PB1,PB2)?
programik używa takiej funkcji:
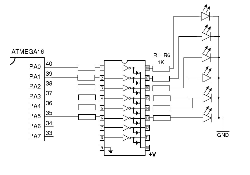
2. Czy konieczne jest podłączanie 6 diod przez uln2803? czy można bez? i jakie oporniki do tego dobrać?
3. Ostatnie pytanie dotyczy przekaźnika :/ czy podłączenie do wyjścia 2 portu PC1, do 1 i 2 zasilania (i tu nie potrafię zrozumieć czy +5V czy 12) pozwoli wysterować elektrozaczepem plusem podłączonym do wyjścia 5.
Jeśli to możliwe prosił bym o jakiś poglądowy szkic jak to miało by być ogarnięte. Zaznaczam ze czytałem o tym i długo szukałem rozwiązania, niestety nie pomogło mi nic co udało mi sie wykopać z google i elektrody.
Pozdrawiam i z góry dzękóję za odpowiedzi
Zwracam się do Was drodzy Elektrodowicze z pytankiem odnośnie podłączenia wymienionych w temacie elementów (buzer, diody led oraz przekaźnik). Jestem na poziomie -1 z elektroniki więc proszę o w miarę łopatologiczne odpowiedzi:)
1.Czy atmega16 pociągnie wygenerowanie krótkiego sygnału przez przetwornik piezo (mam na samą tą blaszkę podłączona do np PB1,PB2)?
programik używa takiej funkcji:
http://www.hobby.abxyz.bplaced.net/index.php?pid=4&aid=7
void beep(unsigned int frequency, unsigned int duration)
{
unsigned int i,t,n;
t = 125000/frequency;
n = (250UL*duration)/t;
PORTB |= 0x01;
PORTB &= ~0x02;
for(i=0; i < n; i++)
{
PORTB ^= 0x01;
PORTB ^= 0X02;
_delay_loop_2(t);
}
}2. Czy konieczne jest podłączanie 6 diod przez uln2803? czy można bez? i jakie oporniki do tego dobrać?
3. Ostatnie pytanie dotyczy przekaźnika :/ czy podłączenie do wyjścia 2 portu PC1, do 1 i 2 zasilania (i tu nie potrafię zrozumieć czy +5V czy 12) pozwoli wysterować elektrozaczepem plusem podłączonym do wyjścia 5.
Jeśli to możliwe prosił bym o jakiś poglądowy szkic jak to miało by być ogarnięte. Zaznaczam ze czytałem o tym i długo szukałem rozwiązania, niestety nie pomogło mi nic co udało mi sie wykopać z google i elektrody.
Pozdrawiam i z góry dzękóję za odpowiedzi