logo elektroda
logo elektroda
X
logo elektroda
REKLAMA
REKLAMA
Adblock/uBlockOrigin/AdGuard mogą powodować znikanie niektórych postów z powodu nowej reguły.

Monitor Belinea 101915 martwa przetwornica

akilian 08 Mar 2010 16:24 7090 17
REKLAMA
  • #1 7801157
    akilian
    Poziom 15  
    Wpadł mi do naprawy monitor Belinea 101915 objaw martwa przetwornica .
    Uszkodzone były: dioda zenera ZD101 na 24V i ZD102 na 5,1V, reszta wizualnie była ok, ale po wymianie tych elementów nic się nie zmieniło - dalej martwa. Poszedłem więc dalej, wymieniłem tranzystor Q101 2SK3562, układ IC101 DAP02ALSZ na SG6841S (podobno zamiennik), posprawdzałem resztę elementów i po włączeniu bez zmian - martwy. Napięcie jest tylko na kondensatorku C101 100µ/400V i dalej nic. Może ktoś podpowie gdzie może być usterka, bo brak mi pomysłów. Czyżby wadliwy IC101?
    Mile widziane podpowiedzi a może ktoś dysponuje schematem.
  • REKLAMA
  • #2 7809443
    lisek
    Serwisant RTV
    Jak zamieniasz na SG84xx to potrzeba wstawić R=1Mohm pomiędzy pin.3 i (+)zasilania z kondka elektrolita> ukł. startu
    -zobacz napięcia na pin (może wysokoohmmowe R puściły)
    mierz z wylutem jedną strona z płyty >bo będą fałszywe pomiary
    -co ze sterowaniem polowego q101 i jego oporami w zródle (małe ohmy >wymiana bez mierzenia!)

    popatrz w schemat
  • #3 7844600
    akilian
    Poziom 15  
    Witam kolego lisek zrobiłem jak kolega podpowiada pomiary elementów po całkowitym wylutowaniu brak uszkodzonych wstawiłem R 1 MΩ i dalej bez zmian.
    Tylko ta aplikacja w załączniku nie ma nic wspólnego z moim zasilaczem dodaję dwie fotki mojego zasilacza bo schematem nie dysponuję.

    Załączniki skasowałem. Proszę zapoznać się z sposobem wklejania zdjęć. [ogryz]
  • #4 7845173
    Richi
    Poziom 39  
    Niestety nie zdazylem zobaczyc tej fotki, ale jezeli jest to model AA111915 to mozliwe ze masz jeszcze stary zasilacz a ten jest taki sam jak w modelu AA111908 -101910 ktorego schemat jest na elektrodzie.
    Jezeli jest to model AA111921 - 101915 to schemat niestety tak szybko nie znajdziesz.
    Podaj jeszcze raz model zasilacza i zalacz poprawnie fotke.
  • #5 7850748
    akilian
    Poziom 15  
    Monitor Belinea 101915 martwa przetwornica

    Monitor Belinea 101915 martwa przetwornica

    Tak to wygląda.
  • #6 7850902
    arko71
    Poziom 25  
    Po takim "lutowaniu" to chyba mało który z elementów SMD przeżył...

    Sprawdź jeszcze transoptor i czy nie ma zwarcia po stronie wtórnej przetwornicy.
  • REKLAMA
  • #7 7851074
    akilian
    Poziom 15  
    Płytka została przegrzana po zlutowaniu elementów smd do pomiarów więc bez obawy ,transoptor wymieniałem zwarcia po wtórnej nie ma chyba trzeba zamówić następny SG6841S podejrzewam że trafił mi się bubel no bo cudów nie ma ten układ nie jest w końcu taki skomplikowany a brak mi już pomysłów.
  • REKLAMA
  • #8 7851748
    arko71
    Poziom 25  
    Rezystor do pinu 3 podpiąłeś po odłączeniu pinu od istniejącego układu?
  • #9 7853723
    Richi
    Poziom 39  
    Twoj model to AA111921.
    W nich bardzo lubialy wysiadac diody prostownicze na stronie wtornej.
    Ze schematem beda problemy ale jak pisales ze uklad nie jest tak skomplikowany wiec trzeby sie tylko zastanowic co ci nie dziala. Pomocny ci bedzie oscyloskop.

    Tu sie przylaczam do opinii kolegi arko71, technika lutowania to jednak nie taka prosta sprawa.
  • #10 7854531
    akilian
    Poziom 15  
    Rezystor do pin 3 podłączony i nic.
    Co do techniki lutowania to dam rade pisałem wcześniej zlutowałem wszystkie elementy SMD do pomiaru i zbierając pozostałości cyny ze ścieżek wtedy lekko przegrzałem laminat.
    Strona wtórna przetwornicy i diody są ok.
    Chyba najwyższa pora zamówić kolejny SG6841S a może ktoś wie gdzie kupić orginał DAP02ALSZ.
  • #11 7854616
    Richi
    Poziom 39  
    A jak wygladaja napiecia na tym SG ??

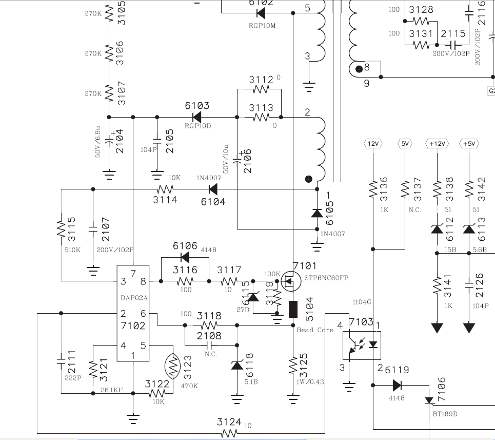
    Dodano po 3 [minuty]:

    Tu masz kawalek schematu tego zasilacza.

    Monitor Belinea 101915 martwa przetwornica
  • #12 7855131
    akilian
    Poziom 15  
    Tak to wygłąda napięcia do pin 1 masa.
    Pin 2-1,3 volt
    pin 3-17 volt
    pin 4-0,28 volt
    pin 5-0,95 volt
    pin 6-0 volt
    pin 7-13,4 volt
    pin 8-0 volt.
  • REKLAMA
  • #13 7857866
    Richi
    Poziom 39  
    Jak dla mnie to scalak nie pracuje, trzeba by bylo pomierzyc przebiegi oscyloskopem.
  • #14 7858870
    akilian
    Poziom 15  
    Zamówiłem scalak jak dotrze napiszę o efektach .
  • #15 7860461
    Jakant
    Poziom 35  
    Na Twoim miejscu to poszukał bym płytki zasilacza, bo taki sposób lutowania uszkadza laminat i zwęglenie jego przewodzi napięcia. Przed jakąkolwiek naprawą trzeba wyczyścić te zwęglone miejsca do żywego laminatu. Taniej wyniesie zakup całej płytki niż zamawianie części i wymiana na gdybanie.
  • #16 7889076
    akilian
    Poziom 15  
    No i jestem scalak dotarł po wymianie monitor wystartował więc poprzedni zgodnie z moim przewidywaniem był po prostu bublem.
    Pojawił się następny defekt: wywołując menu na ekranie obraz jest ostry i czysty, ale po podpięciu sygnału z PC-ta obraz jest zasmużony dziwnym iskrzeniem i zaciąga na czerwono. Brak czysto białego, czyżby coś w inwenterze?
  • #17 7889423
    Richi
    Poziom 39  
    A jak wyglada wtedy menu monitora ??
  • #18 7893646
    akilian
    Poziom 15  
    Menu monitora jest ok tylko treść z PC-ta jest z Przewagą różowego i smuży.
REKLAMA