Witam. Zaczynam zabawę w C, jak na razie przerobiłem pierwszy tom symfonii, biorę się za drugi, i chciałbym też spróbować zabawić się w praktykę, bo dorwałem kilka książek w pdf'ie o AVR'ach.
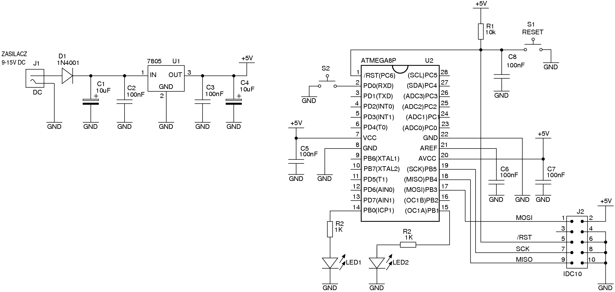
Ma może ktoś link do tematu/schematu opisującego w miarę tani zestaw uruchomieniowy? Wystarczą podstawowe wyjścia, diody, brzęczyk itd.
Jeżeli temat był to proszę o podanie linka bo naprawdę nie mogę znaleźć żadnego handmade, jedynie zestawy gotowe
Ma może ktoś link do tematu/schematu opisującego w miarę tani zestaw uruchomieniowy? Wystarczą podstawowe wyjścia, diody, brzęczyk itd.
Jeżeli temat był to proszę o podanie linka bo naprawdę nie mogę znaleźć żadnego handmade, jedynie zestawy gotowe