Witam.
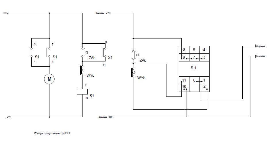
Poszukuję schematu połączenia stycznika piły elektrycznej z przełącznikiem i stycznikiem. Podłączyłem prąd bezpośrednio do stycznika i wszystko działa. Są dwa przyciski. Jeden styka na przytrzymanie, a drugi rozłacza, gdy się go trzyma. Jak podłączyć pod nią piłe, aby wciskając jeden załączać jej, a drugi rozłączał. Podłączyłem, ale tylko gdy go trzymam działa. Nie załącza na stałe. Prosze o pomoc
Poszukuję schematu połączenia stycznika piły elektrycznej z przełącznikiem i stycznikiem. Podłączyłem prąd bezpośrednio do stycznika i wszystko działa. Są dwa przyciski. Jeden styka na przytrzymanie, a drugi rozłacza, gdy się go trzyma. Jak podłączyć pod nią piłe, aby wciskając jeden załączać jej, a drugi rozłączał. Podłączyłem, ale tylko gdy go trzymam działa. Nie załącza na stałe. Prosze o pomoc

