logo elektroda
logo elektroda
X
logo elektroda
REKLAMA
REKLAMA
Adblock/uBlockOrigin/AdGuard mogą powodować znikanie niektórych postów z powodu nowej reguły.

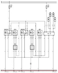
szukam schemat centralnego zamka do transportera t4 rok 99

transportert4 14 Mar 2010 19:17 8629 3
REKLAMA
  • #1 7829983
    transportert4
    Poziom 2  
    Witam bardzo prosze o pomoc poszukuje schemat centralnego zamka do transportera t4 rok 1999 gdyz wogole nie dziala a z takim juz kupilem samochod prosze tu na strone podeslac jakby ktos jeszcze potrzebowal by skorzystal z tego lub na e-maila koles274(_at_)interia.pl dziekuje i prosze o pomoc
  • REKLAMA
  • #2 7830585
    milejow
    Poziom 43  
    Bardzo prosty mechanizm bezcentralkowy, pod warunkiem, że nie było
    zdalnego sterowania
    szukam schemat centralnego zamka do transportera t4 rok 99
    szukam schemat centralnego zamka do transportera t4 rok 99
  • REKLAMA
  • #3 7830885
    transportert4
    Poziom 2  
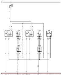
    tylko ze u mnie jest zdalne sterowanie wiec mozesz mi jakos pomoc???
REKLAMA