logo elektroda
logo elektroda
X
logo elektroda
REKLAMA
REKLAMA
Adblock/uBlockOrigin/AdGuard mogą powodować znikanie niektórych postów z powodu nowej reguły.

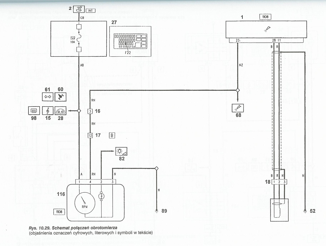
Seicento 1.1 mpi - montaz obrotomierza

wojtas78979 14 Mar 2010 22:06 30453 6
REKLAMA
  • #1 7831093
    wojtas78979
    Poziom 10  
    Witam,

    Wiem że w wielu miejscach temat był już przerabiany, są dostępne instrukcje jak to zamontować, jednakże prosiłbym o pomoc ponieważ chyba jednak z różnych lat produkcji samochody miały różne instalacje elektryczne, albo ja nie umiem tego samemu rozgryźć - chodzi o jeden kabel podający impulsy do obrotomierza, Fiat Seicento 1100 MPI z 2004 roku.

    Ze schematu z książki wynika:

    Seicento 1.1 mpi - montaz obrotomierza

    Według instrukcji ze strony Link wynika natomiast:

    Cytat:
    - czwarty sygnał z przekaźnika pompy paliwa.

    Przewód z sygnałem trzeba przeciągnąć do komory silnika. Powyżej centralki są dwa styczniki i dwa bezpieczniki. Nas interesuje tylko i wyłącznie stycznik czerwony. Jest to stycznik od pompy paliwa. Musimy się podłączyć do nóżki numer 85. Jest to cienki przewód koloru czarnego (stopka bliżej szyby).


    Postępując zgodnie z instrukcją mam taki obraz w samochodzie:

    Seicento 1.1 mpi - montaz obrotomierza

    I teraz pytanie za 100 pkt - o który kabel chodzi? Z książki serwisowej wynika że powinien to być kabel z komputera (ale na razie nie wiem jak są ponumerowane przewody). Z instrukcji z w/w strony wynika że wystarczy od przekaźnika /stycznik?/- tyle że tu są dwa takie same i nie ma takich kolorów jak opisane.

    Z góry dziękuję za pomoc.
  • REKLAMA
  • #2 7833425
    radekklimat
    Poziom 21  
    Miałem kiedys taki bolid i tez bawiłem sie z obrotomierzem.
    Jak wyjmiesz przekaznik ten od pompy to sygnał dajesz z takiej wezszej nozki.Tam powinien pojawic sie sygnał po załaczeniu zapłonu.
  • REKLAMA
  • #3 7833475
    wojtas78979
    Poziom 10  
    a ktory to jest przekaznik bo na fotach widac dwa? I jak sprawdzic np miernikiem ktora to nozka?

    dzieki :-)
  • REKLAMA
  • #4 7834151
    jacek0503
    Poziom 21  
    Kiedys miałem taki "bolid" jak napisał kolega poprzednik.Tak na marginesie bardzo fajne autko.Jak masz autko z niemiec to sprawdz czy przypadkiem za schowkiem na radyjko nie ma kostki pod ktora podłaczysz obrotomierz od seicento.I to juz wszystko.Poprostu wpinasz i montujesz i juz masz bardzo fajna zabawe.Pozdrawiam,J
  • REKLAMA
  • #5 7834913
    wojtas78979
    Poziom 10  
    samochod bardzo fajny, ale kupiony w salonie w polsce w 2004 roku, od poczatku w rodzinie ;)

    ktory to moze byc przekaznik? ;]
  • #6 7838875
    radekklimat
    Poziom 21  
    Cieżko wytłumaczyć ale spróbuje

    Przekaźnik ma dwie nóżki cienkie i dwie grube.
    Te cienkie to są os cewki czyli masa i sterowanie a te dwie grube sa prądowe czyli od skrzynki bezpiecznikowej i do pompy.
    Ty podłączasz do jednej z cienkiej nóżki tam gdzie dochodzi sygnał sterujacy miernikiem sprawdź gdzie jest masa.
    Do którego przekaźnika podłączysz sterowanie z obrotomierza to nie ma znaczenia bo jak trafisz na właściwy to powinien zadziałać
  • #7 18058146
    ToJestNick
    Poziom 31  
    Wiem, że temat archiwalny ale dopowiem dla potomnych.


    Sygnał dla obrotomierza w większości seicento jest pod osłonką słupka koło nogi kierowcy ;) Są tam dwie kostki, biała i żółta. Do żółtej od dołu wchodzi cieniutki czerwony przewód- właśnie na nim jest sygnał dla obrotomierza. Pozdrawiam
REKLAMA