Pierwotnie zamieściłem w dziale "początkujący" projekt który był delikatnie mówiąc... prymitywny i nie do końca chyba poprawny. Jednakże z czyjąś pomocą (za którą jestem bardzo wdzięczny) powstał projekcik a później płytka.
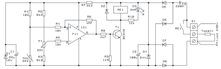
Układ skonstruowany został na powszechnie dostępnych elementach.
Właściwie to chyba można dać dowolny wzmacniacz operacyjny, dowolny optotriak i dowolny triak. Można też dać inne wartości elementów (ale przynajmniej "na czuja" dobrane do siebie).
W archiwum .tgz (tar gzipped, użytkownicy windowsa mogą go rozpakować np. jakimś nowszym winrarem albo winzipem) zamieszczam schemat, rysunki (całkiem ładnie mi wyszły) przedstwiające połączony przeze mnie układ z widokiem na płytkę uniwersalną z obu stron oraz rysunek z opisami użytych elementów i kilkoma uwagami.
Podpięcie do układu grzałki/wentylatora różni się jedynie podłączeniem np. wejść do diody optotriaka (najprościej jest podłączyć w jednym wypadku pod wejście/wyjście diody napięcia "+" a w drugim przypadku "-").
Układ sprawdzony i u mnie działał.
Wykorzystana przeze mnie płytka uniwersalna miała pierwotnie ścieżki które usunąłem za pomocą papieru ściernego.
Regulacja:
Jeden potencjometr służy do ograniczania prądu płynącego przez diodę optotriaka w stanie przewodzenia (należy tak dobrać jego rezystancję, aby prąd był wystarczający do wprowadzenia optotriaka w stan przewodzenia).
Drugi potencjometr służy do ustalenia temperatury stabilizowanej. Należy przy tym pamiętać o histerezie układu co może być nieco trudne
Przykładowe zastosowania dla układu:
1. wentylator zamontowany w domowym serwerku który nie ma odpowiedniego układu
2. akwarium, terrarium
3. włączanie lampki alarmującej o fakcie przekroczenia jakiejś temperatury krytycznej
Jeśli ktoś znajdzie w układzie jakiś błąd lub coś podobnego to proszę o poinformowanie mnie o tym abym mógł wprowadzić odpowiednie zmiany.
Układ skonstruowany został na powszechnie dostępnych elementach.
Właściwie to chyba można dać dowolny wzmacniacz operacyjny, dowolny optotriak i dowolny triak. Można też dać inne wartości elementów (ale przynajmniej "na czuja" dobrane do siebie).
W archiwum .tgz (tar gzipped, użytkownicy windowsa mogą go rozpakować np. jakimś nowszym winrarem albo winzipem) zamieszczam schemat, rysunki (całkiem ładnie mi wyszły) przedstwiające połączony przeze mnie układ z widokiem na płytkę uniwersalną z obu stron oraz rysunek z opisami użytych elementów i kilkoma uwagami.
Podpięcie do układu grzałki/wentylatora różni się jedynie podłączeniem np. wejść do diody optotriaka (najprościej jest podłączyć w jednym wypadku pod wejście/wyjście diody napięcia "+" a w drugim przypadku "-").
Układ sprawdzony i u mnie działał.
Wykorzystana przeze mnie płytka uniwersalna miała pierwotnie ścieżki które usunąłem za pomocą papieru ściernego.
Regulacja:
Jeden potencjometr służy do ograniczania prądu płynącego przez diodę optotriaka w stanie przewodzenia (należy tak dobrać jego rezystancję, aby prąd był wystarczający do wprowadzenia optotriaka w stan przewodzenia).
Drugi potencjometr służy do ustalenia temperatury stabilizowanej. Należy przy tym pamiętać o histerezie układu co może być nieco trudne
Przykładowe zastosowania dla układu:
1. wentylator zamontowany w domowym serwerku który nie ma odpowiedniego układu
2. akwarium, terrarium
3. włączanie lampki alarmującej o fakcie przekroczenia jakiejś temperatury krytycznej
Jeśli ktoś znajdzie w układzie jakiś błąd lub coś podobnego to proszę o poinformowanie mnie o tym abym mógł wprowadzić odpowiednie zmiany.
Fajne? Ranking DIY