logo elektroda
logo elektroda
X
logo elektroda
REKLAMA
REKLAMA
Adblock/uBlockOrigin/AdGuard mogą powodować znikanie niektórych postów z powodu nowej reguły.

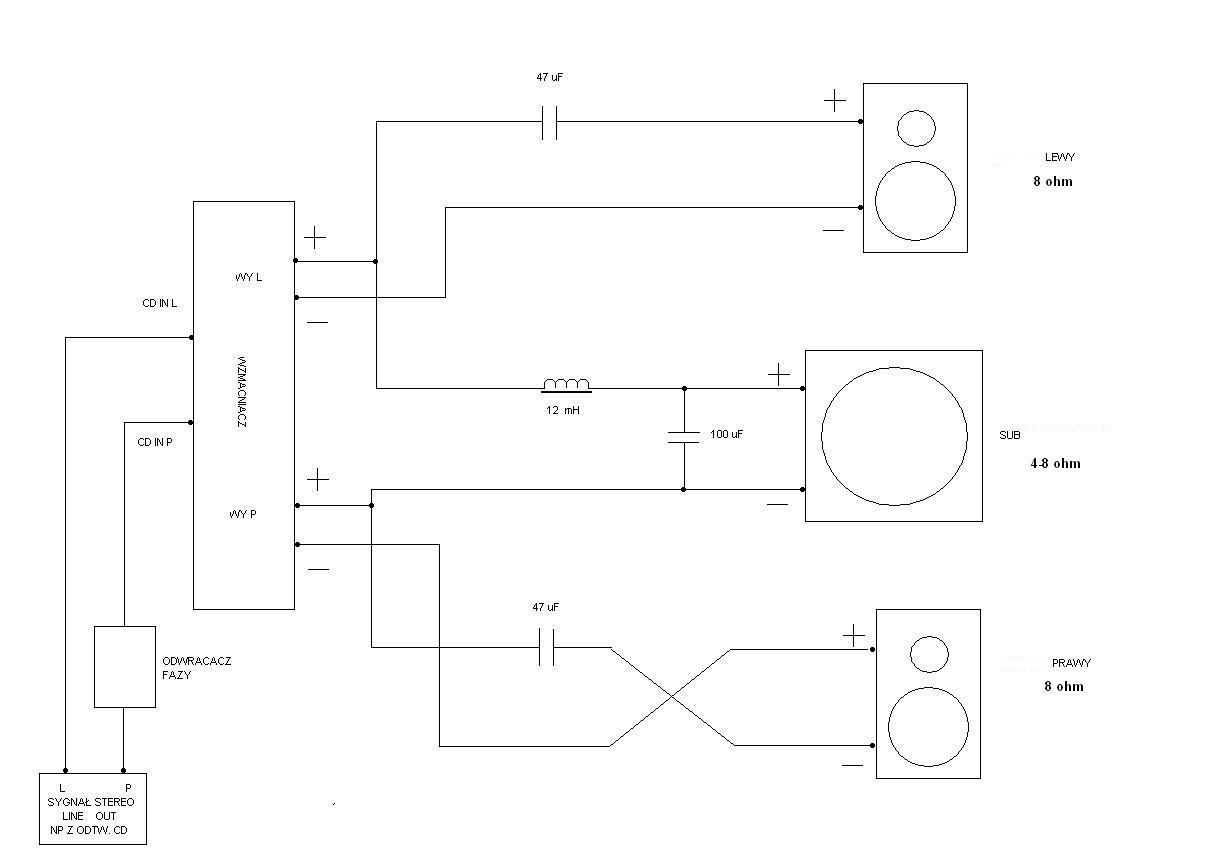
Wspólny kanał basowy w systemie stereofonicznym dwukanałowym

henio.eu 20 Mar 2010 01:35 1266 3
REKLAMA
  • #1 7854859
    henio.eu
    Poziom 11  
    Jak stworzyć taki system?
  • REKLAMA
  • #2 7855235
    Konto nie istnieje
    Konto nie istnieje  
  • REKLAMA
  • #3 7857523
    mczeslaw
    Poziom 36  
    Wspólny kanał basowy w systemie stereofonicznym dwukanałowym

    To jest sposób, ale musisz liczyć się z tym że przetwarzanie najniższych częstotliwości jest niższe o 3-6 dB od częstotliwości, które emitują głośniki L+P.
    Dlatego gotowe zespoły głośnikowe 2+1 mają SPL na poziomie 83-85 dB.

    Jeśli wspólny kanał basowy ma być z dwóch głośników niskotonowych, wtedy nie stosujemy odwracacza fazy na wejściu jednego z kanałów, tylko można zastosować układ jak np. z SUB.SAT 1 Tonsila.
REKLAMA