logo elektroda
logo elektroda
X
logo elektroda
REKLAMA
REKLAMA
Adblock/uBlockOrigin/AdGuard mogą powodować znikanie niektórych postów z powodu nowej reguły.

Włącznik/Wyłącznik na CD4013 - poszukuję schematu

kbw24 20 Mar 2010 12:40 6073 3
REKLAMA
  • #1 7855884
    kbw24
    Poziom 14  
    Witam.

    Napiszę najpierw, że szukałem po elektrodzie i nie znalazłem tego, o co mi chodzi...

    Poszukuję schematu włącznika elektronicznego, prawdopodobnie na układzie CD4013. Kiedyś ktoś tu go wrzucił(ale w innym dziale) - schemat był na chyba kartkę A4 po wydrukowaniu, i miał tak: Wł/Wył, osobno też Wł i Wył. Jakbym miał opisać jego układ, to wiem, że od góry miał schemat zasilacza, a wszystkie(zdaje się że wyjścia/wejścia) szły do takiej jednej przerywanej linii po prawej. Wiem, że to pewnie trochę dziwne, ale bardzo mi zależy na tym właśnie schemacie, a gdzieś go zgubiłem... Dzięki za pomoc. ;)
    Pozdrawiam.

    P.S. Moderatorzy - mam nadzieję że wszystko dobrze, i że trafiłem w dział... :P Pozdrawiam.
  • REKLAMA
  • #2 7855942
    Dawid_20
    Poziom 17  
    Nie ma tu zasilacza, ani przerywanych kresek, ale jest to typowy flip flop:
    Włącznik/Wyłącznik na CD4013 - poszukuję schematu
  • REKLAMA
  • #3 7855964
    kbw24
    Poziom 14  
    No to już widziałem(tylko inaczej narysowane ;) )... Tamto było na DWÓCH D-FlipFlop-ach, i miało przycisk od włączania/wyłączania, oraz też osobno włącz i osobno wyłącz...
    Pozdrawiam
  • #4 7867636
    kbw24
    Poziom 14  
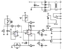
    Ok, mam. :flasingsmile: tylko jakby jeszcze ktoś mi go wytłumaczył, bo za nic nie wiem co tam jest w tej 1/3(jednej trzeciej) schematu od prawej... ;)
    Pozdrawiam.

    Włącznik/Wyłącznik na CD4013 - poszukuję schematu
REKLAMA