logo elektroda
logo elektroda
X
logo elektroda
REKLAMA
REKLAMA
Adblock/uBlockOrigin/AdGuard mogą powodować znikanie niektórych postów z powodu nowej reguły.

ściemnianie żarówki 230v napięciem stałym 0-10v

kaserwis 20 Mar 2010 16:11 1928 3
REKLAMA
  • #1 7856774
    kaserwis
    Poziom 2  
    mam sterownik imitujący zmierzch i świt ale niestety steruje napięciem 0-12 v
    potrzebuję uzyskać ten sam efekt żarówką 230v prądu zmiennego
    proszę o prosty schemat najlepiej na bt 136 i np optotriaku moc 3021
  • REKLAMA
  • #2 7857022
    pafciowaw
    Specjalista Automatyk
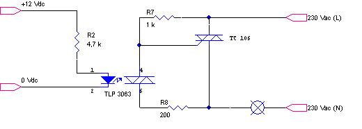
    ściemnianie żarówki 230v napięciem stałym 0-10v
    Jeśli będzie sygnał 12v na wyjściu czujnika to triak przewodzi.
    Jeśli ma być odwrotnie to na wejściu optotriaka trzeba dać klucz tranzystorowy "odwracający fazę".
    Ten układ to chyba najprostsza aplikacja.
  • REKLAMA
  • #3 7857515
    kaserwis
    Poziom 2  
    wydaje mi się że nie o to chodzi chciałbym uzyskać efekt typowego ściemniacza i nie wiem czy to coś da
  • #4 7858130
    pafciowaw
    Specjalista Automatyk
    w takim razie potrzebny jest człon przetwornika wejścia 0-10V na wyjście PWM (wypełnienie częstotliwości nośnej) i wtedy na optotriaka...lub jakiś generator zmiennej częstotliwości w zależności od napięcia wejściowego...
REKLAMA