logo elektroda
logo elektroda
X
logo elektroda
REKLAMA
REKLAMA
Adblock/uBlockOrigin/AdGuard mogą powodować znikanie niektórych postów z powodu nowej reguły.

Płyta ceramiczna Amica PG4VQ034

lawczys 23 Mar 2010 20:37 13199 2
REKLAMA
  • #1 7871599
    lawczys
    Poziom 11  
    Witam potrzebuję schemat płyty lub całego piecyka Amica
    Pełny typ EHK2.834teykDRK 18756
    Nie działa pole grzewcze 140x250mm
  • REKLAMA
  • #2 7874896
    telmut
    Poziom 20  
    Jezeli nie działa pole to płytka lub dawkownik jst do wymiany

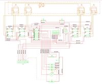
    Dodano po 17 [minuty]:

    oto schemat
    Płyta ceramiczna Amica PG4VQ034
  • #3 9365202
    lawczys
    Poziom 11  
    Płyta naprawiona dzięki za schemat
REKLAMA