logo elektroda
logo elektroda
X
logo elektroda
REKLAMA
REKLAMA
Adblock/uBlockOrigin/AdGuard mogą powodować znikanie niektórych postów z powodu nowej reguły.

t5 elektryczne szyby, podnośniki, jak podłączyć?

seba24 02 Kwi 2010 11:06 24256 17
REKLAMA
  • #1 7910612
    seba24
    Poziom 20  
    Posiadam podnośniki szyb wraz z instalacją drzwi od T5 i może ktoś wie, jak je podłączyć i co jeszcze potrzeba, aby to działało? Jeśli jest możliwość, to też chcę aby działał zamek centralny.

    Potrzebne schematy. Dzięki.
  • REKLAMA
  • #2 7913986
    seba24
    Poziom 20  
    może ktoś coś podpowie?
  • #3 7914000
    alpha01
    Poziom 21  
    Schematy w dłoń.Szyby chodzą pod komfortem.Sterowniki w drzwiach i główny w środku.Centralny jak wyzej plus odpowiednie kasety zamków.Komunikacja na CAN.
  • #4 7916422
    miles_w
    Poziom 10  
    nie koniecznie musza chodzic po komforcie. Mozna to zrobic na tzw.sztywno na przelacznikach nisko pradowych ktore sa zazwyczaj ladniejsze ale trudniej je podlaczyc i na przelacznikach 20A do ktorych wystarczy doprowadzic trzy kabelki.
    Reasumujac wersja pierwsza: potrzebujesz silniczek (zazwyczaj sa z modulem,takim plastyczkiem podpietym do silniczka ) wypinamy ten plastykowy moduł .Po jego wypieciu pojawia sie dwie blaszki wychodzace z silniczka , lutujemy do nich dwa kabelki.
    Przelacznik- najlepiej oryginal pojedynczy ktory nie ma funkcji przytrzymania automatycznego szyby góra/dół do niego trzeba podpiac dwa przekazniki i to samo na druga strone.
    Przekazniki- zwykle od chiciazby poloneza dostepne w kazdym motoryzacyjnym
    o obciążalności styków ok 10A-30A ( przeciążenia przy samym końcu zamykania - więc ze znamionowych 5A silnika t5 elektryczne szyby, podnośniki, jak podłączyć?
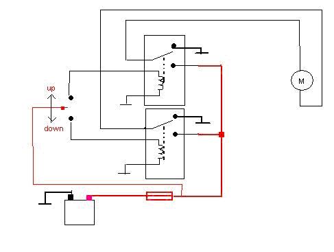
    Tutaj podaje schemat jak je podłaczyc przekazniki
    t5 elektryczne szyby, podnośniki, jak podłączyć?

    Dalej trzeba wszystko podłaczyc ja na tym schemacie

    t5 elektryczne szyby, podnośniki, jak podłączyć?

    Sposó drugi z przełącznikami wysoko pradowymi jest tak jak na schemacie wyzej bez potrzeby instalowania przekaznikow
  • REKLAMA
  • #6 7919233
    seba24
    Poziom 20  
    dzięki panowie za pomoc ale pierw spróbuje zrobić to na orginał, bo mam kompletną instalacje drzwi z włącznikami i podnośnikami i zamkami tylko brak mi instalacji z auta ale myślę że coś mi tu pomoże schemat od pana "T5"

    kolego "miles w" ten twój schemat wszystko ok ale nie pójdzie na orginał włącznikach ale dzięki
  • #7 7921605
    miles_w
    Poziom 10  
    oczywiscie ze pojdzie, trzeba zrobic zworke na przycisku . jak bede mial chwile to zrobie zdjecie co trzeba i jak zlutowac.Wiem co mowie bo sam to robilem u siebie i dziala.
  • #8 7921898
    seba24
    Poziom 20  
    robiłeś to na orginalnej instalacji i orginalnych włącznikach?
    bardzo chętnie zobaczę jak masz to wykonane na tych włącznikach.
  • #9 7925504
    miles_w
    Poziom 10  
    Wszytko bylo robione na oryginalach.Instalacje sam prowadzilem.Na przyciskach masz oznaczenie 1,2,3,4 gdzie 1-masa 2-podsiwetlenie 3-góra 4-dół.

    t5 elektryczne szyby, podnośniki, jak podłączyć?

    Potzebujesz trzy pojedyncze przyciski by zrobic to dobrze. Te podwójne od kierowcy nie da sie przerobi ,ale mozna wsadzis dwa pojedyncze w ten caly koszyczek wyjmujac tamten podwójny zespolony.

    Dodano po 1 [godziny] 30 [minuty]:

    Mozesz sprobowac robic na oryginal ,ale te czesci co masz nie wystarcza! Wszystkim steruje moduł komfortu ktory jest podpiety do centralki na kolumna kierownicy i dalej do komputera głownego w aucie.
    Załóżmy że kupisz wszystkie potrzebne graty to po podpieciu tego wszystkiego dalej nie masz pewnosci czy to zadziała bo trzeba bedzie zaprogramowac komputer mod nowy modół ,ale moze kozac sie ze nie jest to takie proste bo masz uboga wersje i po prostu nie da sie zprogramowac tego komputera,trzeba kupic nowy.
    Wydaje mi sie ze gra nie warta swieczki.
    Mnie calosc kosztowala 450zł i dzień pracy no i mam wszystko na orginałach.
  • REKLAMA
  • #10 7985602
    seba24
    Poziom 20  
    dzięki panowie poszło po orginale , temat zamknięty.
  • #11 8183785
    drazik1
    Poziom 1  
    A czy kolega który to zrobil te szybki na orginale mógłby cos wicej powiedziec?mam 2 silniki z modulem i orginalne przelaczniki,patrze na ten schemat ale jakos srednio z tlumaczeniem.
  • REKLAMA
  • #12 8189052
    seba24
    Poziom 20  
    a masz ilstalację z drzwi od szyb elektrycznych,bo schemat jest dosyć bogatya potrzeba dosłownie podłaczyć 3 kabelki i wszystko gra. jak coś zadzwoń,bo brak czasu na neta. 511 956 335
  • #13 14538694
    adis1992
    Poziom 2  
    @seba24 Posiadam całe blachy z mechanizmami, silniczkami, przełącznikami i wiązką oryginalną od T5, jestem ciekaw jak to rzeczywiście trzeba podłączyć? Masz już czas, żeby objaśnić? Pozdrawiam
  • #14 14539391
    seba24
    Poziom 20  
    dzwoń jak chcesz bo brak czasu na pisanie
  • #15 14540240
    adis1992
    Poziom 2  
    seba24 napisał:
    a masz ilstalację z drzwi od szyb elektrycznych,bo schemat jest dosyć bogatya potrzeba dosłownie podłaczyć 3 kabelki i wszystko gra. jak coś zadzwoń,bo brak czasu na neta. 511 956 335


    Ten jest aktualny? Próbuję się dodzwonić i nie odpowiada...
  • #16 14851808
    niestandardowy
    Poziom 10  
    Odgrzeje kotleta troszke.
    Chcialbym dolozyc elektryczne szyby do mojej T5 z 2004 r.
    Macie Panowie jakies numery silniczkow ( na alle... sa sa dwa rodzaje, 6Q0 i 7H0)? Sa na alle... komplety do kupienia z blacha silniczkami i wiazka. Czy blache tez trzeba wymieniac czy tylko odkrecenie korby i przykrecenie
    silniczkow? Macie jakis bardziej lopatologiczby schemat podlaczenia szyb?
  • #17 14862802
    niestandardowy
    Poziom 10  
    Nikt nie pomoze?
  • #18 15586366
    kmgarage
    Poziom 1  
    ogarnołeś temat kolego?
REKLAMA