Witam
W zamiarze mam zbudowanie wzmacniacza samochodowego o mocy ok 150-200W
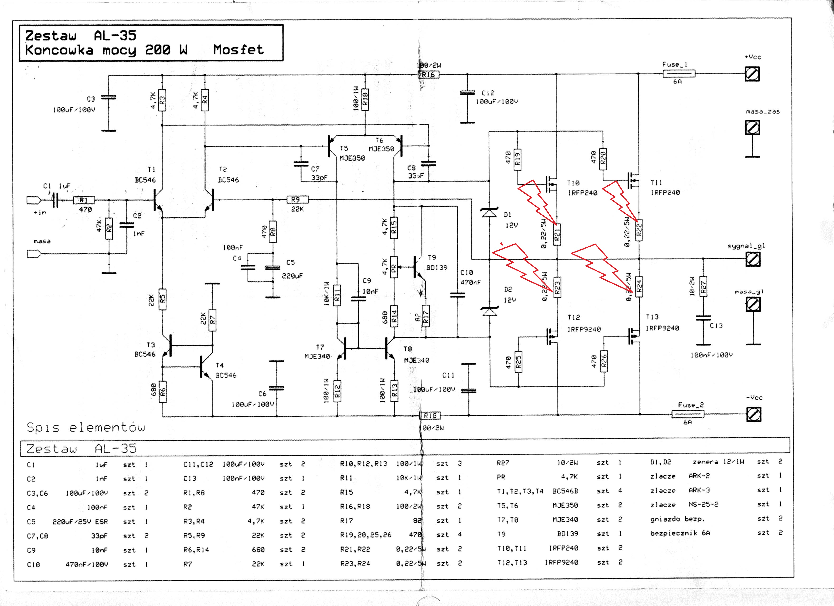
Porezszukaniu forum uznałem iż dobrym zestawieniem było by zrobić przetwornicę AVT-2732 i napędzić nią 2 końcówki holton 100 dlaczego 2 ??- chciałbym aby wzmacniacz miał możliwość działania w stereo oraz mono (do napędzenia suba)
Moja prośba do was drodzy forumowicze jest taka że potrzebuję waszych sugestii na temat :
•Czy zestawienie jakie zaprezentowałem ma szanse na dobre działanie ?
•do wzmacniacza będe potrzebował również jakiegoś filtru odcinaiącego w granicy 40- 59 Hz i tytaj w szczególności czekam na sugestie
Z góry dziękuje za opiie również te krytyczne
W zamiarze mam zbudowanie wzmacniacza samochodowego o mocy ok 150-200W
Porezszukaniu forum uznałem iż dobrym zestawieniem było by zrobić przetwornicę AVT-2732 i napędzić nią 2 końcówki holton 100 dlaczego 2 ??- chciałbym aby wzmacniacz miał możliwość działania w stereo oraz mono (do napędzenia suba)
Moja prośba do was drodzy forumowicze jest taka że potrzebuję waszych sugestii na temat :
•Czy zestawienie jakie zaprezentowałem ma szanse na dobre działanie ?
•do wzmacniacza będe potrzebował również jakiegoś filtru odcinaiącego w granicy 40- 59 Hz i tytaj w szczególności czekam na sugestie
Z góry dziękuje za opiie również te krytyczne
