logo elektroda
logo elektroda
X
logo elektroda
REKLAMA
REKLAMA
Adblock/uBlockOrigin/AdGuard mogą powodować znikanie niektórych postów z powodu nowej reguły.

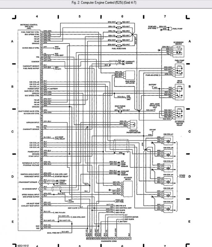
opis wyjść ecu motronic z e34

tomasz311 10 Kwi 2010 09:10 4161 4
REKLAMA
  • #1 7942391
    tomasz311
    Poziom 10  
    witam, pilnie potrzebuję opisu pinów ECU Motronic 3.1 o numerze 0 261 200 402 z bmw e34 525.
  • REKLAMA
  • Pomocny post
    #2 7942478
    Bartek1515
    Poziom 13  
    hej to jest to
    opis wyjść ecu motronic z e34
  • REKLAMA
  • #3 7944091
    tomasz311
    Poziom 10  
    dzięki za odpowiedź ale zapomniałem napisać że to silnik m50 więc raczej to nie to
  • REKLAMA
  • #4 19818314
    Megawe
    Poziom 34  
    opis wyjść ecu motronic z e34

    Opisy po rosyjsku
REKLAMA