logo elektroda
logo elektroda
X
logo elektroda
REKLAMA
REKLAMA
Adblock/uBlockOrigin/AdGuard mogą powodować znikanie niektórych postów z powodu nowej reguły.

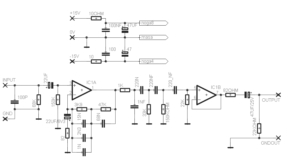
profesjonalny preamp RIAA

radocha 14 Sie 2004 04:42 4504 3
REKLAMA
  • schemat pobrałem od firmy Soundcraft - preamp montowany był/jest w stołach mixerskich (emisyjnych dla radiofonii) SAC 200. Brzmi znakomicie. Elementy sprzężenia zwrotnego oczywiście precyzyjne, jeśli komuś brak - przynajmniej mierzone.
    Polecam wszystkim DJ-om
    pliki:
    preRIAA - schemat
    riaaPCB - układ ścieżek
    riaaMNT - montaż elementów
    2xNE5532

    Fajne? Ranking DIY
    O autorze
    radocha
    Poziom 28  
    Offline 
    radocha napisał 1102 postów o ocenie 32, pomógł 75 razy. Mieszka w mieście Gliwice. Jest z nami od 2003 roku.
  • REKLAMA
  • #2 802321
    ja-jacek
    Poziom 2  
    dla DJów , czyli to to gramofonu ?
  • REKLAMA
  • #3 802327
    ja-jacek
    Poziom 2  
    dla DJów , czyli to to gramofonu ?
  • #4 810527
    radocha
    Poziom 28  
    RIAA - znaczy do gramofonu analogowego. A polecam DJ-om bo ten preamp akurat wyposażony jest w filtr subsoniczny, który m.innymi niweluje hałasy powstające przy grzebaniu paluchami po płycie, stki, uderzenia, potarcia itp
REKLAMA