Witam
Od niedawna zacząłem przygodę z uC. Początki jak zawsze są trudne.
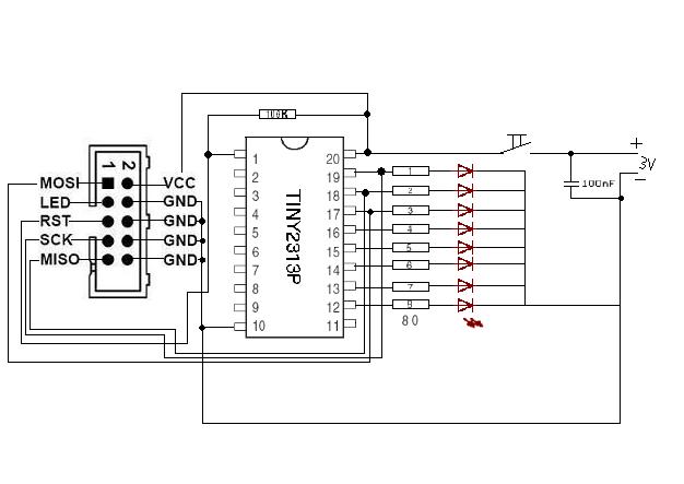
Moim pierwszym zaprogramowanym uC był Attiny2313 i dlatego zajmuje się nimi. Za pierwszym razem było ok [sterownik diody RGB pięknie się zaprogramował i działał ]. Teraz zmagam się z wyświetlaczem widmowym również na tym uC. Procek w ogóle nie chce się zaprogramować. Mam 2 nowe sztuki 2313 i dla każdej z nich jest taki sam efekt.
Jeżeli chodzi o projekt wyświetlacza to zainteresował mnie prościutki układzik:
Link
Jestem przekonany że problem tkwi w uC. Opóźnienie w Bascomie ustawiłem na 50 . Proszę o pomoc osoby doświadczone.
Oto kilka Screen'ów:

Od niedawna zacząłem przygodę z uC. Początki jak zawsze są trudne.
Moim pierwszym zaprogramowanym uC był Attiny2313 i dlatego zajmuje się nimi. Za pierwszym razem było ok [sterownik diody RGB pięknie się zaprogramował i działał ]. Teraz zmagam się z wyświetlaczem widmowym również na tym uC. Procek w ogóle nie chce się zaprogramować. Mam 2 nowe sztuki 2313 i dla każdej z nich jest taki sam efekt.
Jeżeli chodzi o projekt wyświetlacza to zainteresował mnie prościutki układzik:
Link
Jestem przekonany że problem tkwi w uC. Opóźnienie w Bascomie ustawiłem na 50 . Proszę o pomoc osoby doświadczone.
Oto kilka Screen'ów:
