Automatycznie podświetlane schody wykrywające ruch to najnowsze dzieło elektronika Edo. Światła włączają się kiedy wchodzisz na górę, a wyłączają gdy schodzisz.
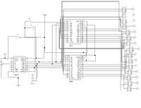
Jak to działa? Pierwszy krok aktywuje czujnik który wysyła do instalacji sygnał, by zapalić lampy na każdym ze stopni. Z chwilą, gdy znajdziemy się na samej górze, uruchamiamy drugi czujnik, który gasi lampy kolejno jedna po drugiej - od dołu ku góry. Identyczna sytuacja przy schodzeniu, z tym że lampy zapalają się i gasną w odwrotnej kolejności - z piętra na parter.
Projekt bardzo prosty, ale jaki efektywny. Montaż takiego systemu od razu stawia w innym świetle każdą klatkę schodową. Ma też niebagatelny wpływ na środowisko, bo przecież by wspiąć się po takich schodach nie będziemy musieli zapalać prądożernych żarówek. Ekolodzy powinni być wniebowzięci.
Ten i masę innych ciekawych rozwiązań możecie zobaczyć na kanale YouTube - interactivefurniture.
Fajne? Ranking DIY
