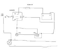
Narysowałem tak na szybko.

Zasilanie wyłącznika dobrze było by podłączyć do plusowego przewodu świateł mijania wtedy będzie samo wyłączało gdy włączysz światła światła drogowe (nikt podczas mgły nie jeździ na drogowych

) a włączać będą się tylko gdy będą włączone światła mijania. chyba że wolisz inaczej to wystarczy gdzie indziej do zasilania.
