logo elektroda
logo elektroda
X
logo elektroda
REKLAMA
REKLAMA
Adblock/uBlockOrigin/AdGuard mogą powodować znikanie niektórych postów z powodu nowej reguły.

[AVR]Atmega32 z USB Poprawność shematu

karol75 28 Kwi 2010 13:02 1893 12
REKLAMA
  • #1 8012432
    karol75
    Poziom 16  
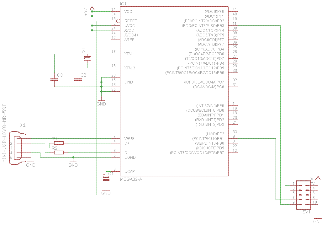
    Chciałby wykorzystać Atmega32 z USB.
    Nie jestem pewny jednak schematu.
    Czy moglibyście sprawdzić schemat (część USB) czy jest wystarczający?
    Nota http://www.atmel.com/dyn/resources/prod_documents/doc7766.pdf
    Strona 255 Figure 21-5.
    Drugie pytanie to co oznacza "UID" i pod którą nogę procesora podłączyć?
    Trzecie pytanie czy dobrze podłączyłem złącze USB?

    [AVR]Atmega32 z USB Poprawność shematu

    Do administratora:
    Dostałem komunikat
    "Wykryto następujące błędy:
    Plik image.png posiada niedozwolone rozszerzenie. Można uploadować jedynie pliki jpg, jpeg, gif i png!"
    To chyba trochę idiotyczne
  • REKLAMA
  • #2 8014550
    misiek1994
    Poziom 17  
    Dodałbym dwie zenerki, bo może na laptopie nie specjalnie dobrze działać. Tak to wydląda ok. A UIDa ci nie sprawdze bo mi net przymula i nie moge noty ściągnąć.
  • REKLAMA
  • #3 8015491
    karol75
    Poziom 16  
    Problem że ten UID występuje tylko przy usb i nie ma nazwanego wyprowadzenia.
  • REKLAMA
  • #5 8015707
    karol75
    Poziom 16  
    mirekk36 napisał:
    to jest pytanie

    To jest następny krok, ale jak mam cokolwiek przetestować gdy nie mam na czym?


    NIe, nie chodziło mi o te rozwiązanie. Ja tylko pokazałem połączenie do USB, a nie cały schemat. Atmel nie dawno wprowadził Atmega32 z sprzętowym USB Device i chciałem nauczyć się jego obsługi. A że procek tani (poniżej 20zł) to można.
    Nie jestem pewny schematu ponieważ w nocie są tylko 2 rezystory i linia UID (nie wiadomo co to jest), a we wszystkich innych schematach nawet z ARM widuje kondensator pomiędzy liniami D+ i D- oraz kondensatory do masy , USBASP ma także diody zenera na liniach danych, a tutaj tylko 2 rezystory.
  • REKLAMA
  • #6 8015777
    mirekk36
    Poziom 42  
    karol75 --> rozumiem, że pisałeś już oprogramowanie do USB na ARM'ach i PC żeby przesyłać dane w dwie strony zarówno gdy procek miał być Hostem czy normalną końcówką USB ??? Tak pytam - bo coś czuję, że zabierasz się za temat od "tylnej" strony. A potwierdza to, to, że nie piszesz iż "nie wiadomo co to jest UID"

    Proponowałbym ci od zapoznania się bardzo dokładnie ze specyfikacją USB najpierw, potem zbudowanie jakiegoś prostszego układu - choćby z linku który podałem, żeby zobaczyć jak i z czym to się je? od strony kodu, od strony programowej - zamiast porównywać czy na schematach z ARMami jest UID a na innych nie ma.

    Zobaczysz, że wtedy ci się lepiej rozjaśni - jak zaczniesz po kolei.
  • #7 8015823
    karol75
    Poziom 16  
    "nie wiadomo co to jest UID"
    W tym wypadku chodzi mi o notę katalogową, nie znalazłem w nocie oznaczenia UID na żadnej nodze procesora i tutaj jest problem, do której nogi podłączyć UID ze złącza USB. Oczywiście co do pozostałych masz rację. Jednak myślę że posługiwanie sprzętowym USB jest łatwiejsze niż implementacja programowa. Posługuję się tutaj porównaniem do UART.


    Proponowałbym ...zamiast porównywać czy na schematach z ARMami jest UID a na innych nie ma.

    Ja nie porównuje tylko pytam czy to jest poprawne i trochę dziwi mnie ubogość elementów.
    Jak będę miał sprzęt to w tedy zacznę programowanie (naukę USB) i wtedy na pewno zajrzę i przeczytam specyfikację USB.
    Jednak chciałbym mieć sprzęt aby móc zaprogramować pozostałe rzeczy dla których USB jest uzupełnieniem na przyszłość, a nie rzeczą podstawową.
  • #8 8015914
    mirekk36
    Poziom 42  
    karol75 napisał:

    Jak będę miał sprzęt to w tedy zacznę programowanie (naukę USB) i wtedy na pewno zajrzę i przeczytam specyfikację USB.
    .


    To wtedy dopiero się dowiesz dokładnie do czego jest UID, dla ułatwienia podpowiem tylko, że możesz tę nogę pozostawić wiszącą w powietrzu albo wykorzystać ją jako port I/O

    Poza tym jak może budzić zdziwienie ubogość elementów zewn. jeśli procek ma dedykowane wejście USB. Spójrz sobie chociażby na FT232RL - nie jest to wprawdzie procek ale on też nic a nic poza gniazdem USB nie potrzebuje - za to miałbyś bez problemu swój UART przez USB.

    Jeśli nadal nie będziesz wiedział o co chodzi - to sorki ale jednak będziesz musiał zmienić podejście i zacząć od czytania not PDF w tym także na temat USB.

    Bo porównójąc sprzętową komunikację USB do UART to jakby mała pomyłka genetyczna.
  • #9 8015955
    karol75
    Poziom 16  
    Widzę że się nie rozumiemy, Ja nie proszę o wytłumaczenie do czego służy konkretnie UID, tylko która to jest noga ATMEGA32 ponieważ Atmel w swojej nocie w rysunkach pokazujących jak podłączyć USB nazywa wyprowadzenie UID, a na schemacie ogólnym nie mogę się nigdzie doszukać oznaczenia UID i o to mi cały czas chodzi. Widzę że się na tym znasz więc czy zechciał byś ściągnąć notę katalogową i stwierdzić która noga Atmegi to UID?
  • #10 8016101
    saper_2
    Poziom 18  
    Moim zdaniem jest to do detekcji pracy usb Device albo Host (ale mogę się mylić,).
    Czyli UID jest to detekcja trybu pracy portu USB, jeśli ukłąd ma pracować jako device (slave) to łączysz to do masy (chyba we wtyczce jest nawet zwarte) , a jak podłączasz inne urządzenie typu device do ukłądu to wtedy w kablu powinnien być ten pin rozwarty (albo do plusa - nie pamiętam) i wtedy twój układ powinien robić za host'a.
    Albo na odwrót - nie pamiętam :D Jak zamieszałem to też dobrze :)
  • #11 8016113
    karol75
    Poziom 16  
    No to fajnie Atmel w nocie katalogowej zamieszcza rysunki z układu który może pracować jako Host lub Device, w nocie katalogowej układu który może pracować tylko jako Device, i tu był pies pogżebany.
  • #12 8016269
    saper_2
    Poziom 18  
    No m32u4 ma tylko usb device i ten pin nie jest potrzebny, zobacz w opis rejestru USBSTA (s264) zawsze odczytasz "1". Po prostu schemat skopiowali z 90usb128/64 który może być też Hostem.
  • #13 8016298
    karol75
    Poziom 16  
    Dzięki za zainteresowanie.
    Temat zamknięty.
REKLAMA