Super prosty i tani kilkupunktowy termometr umożliwiający pomiar temperatury z rozdzielczością 0,5C. Nie potrzeba żadnych mikrokontrolerów, nie jest wymagana kalibracja! Wszystko jest sterowane za pomocą komputera, a układ składa się z kilku elementów podłączanych do portu szeregowego komputera.
DS1820 jest czujnikiem temperaturowym produkowanym przez Dallas Semiconductor
Podstawowe parametry
* unikalny kod 64-bitowy w każdym czujniku
* zakres temperatur -55C - +125C
* dokładność 0,5C
* używa interfejsu 1-Wire(tm)
Zamiennikiem DS1820 jest nowszy DS18S20 lub DS18B20
Hardware - Adapter
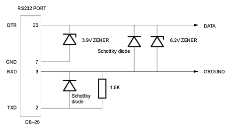
Adapter umożliwiający podłączenie DS1820 do portu szeregowego może zostać zbudowany z wykorzystaniem dwóch diod Zenera 3,9V oraz 6,2V o mocy około 500mW, dwóch szybkich diod Shottky'ego BAT85 i rezystora 1,5k
Rys. 1. Pierwszy propozycja układu
Rys. 2. Druga propozycja układu (na schemacie jest błąd powinno być D1 MTZJ3,9V)
Opis złącza DB-25: Serial (PC 25)
Opis złącza DB-9: Serial (PC 9)
Software
Do obsługi czujników DS1820, DS18S20, DS18B20 został stworzony darmowy program umożliwiający pomiar temperatury. Wszystko jest cały czas rozwijane i nie wiadomo czym autor nas jeszcze zaskoczy. W tym momencie możemy odczytywać dokładną, aktualną temperaturę z wielu czujników, tworzyć wykresy temperatur, a następnie je publikować i drukować. Nowatorskim rozwiązaniem jest pokazywanie temperatury nie tyle w sposób cyfrowy co analogowy za pomocą wskaźników wychyłowych. Ostatnio dodanymi możliwościami jest alarmowanie po przekroczeniu temperatury i rozpoczęcie współpracy z wyświetlaczem LCD.
Opracowano na podstawie:
http://www.riccibitti.com/pc_therm.htm
http://www.nic.fi/~kalliala/onewire_e.htm
DS1820 jest czujnikiem temperaturowym produkowanym przez Dallas Semiconductor
Podstawowe parametry
* unikalny kod 64-bitowy w każdym czujniku
* zakres temperatur -55C - +125C
* dokładność 0,5C
* używa interfejsu 1-Wire(tm)
Zamiennikiem DS1820 jest nowszy DS18S20 lub DS18B20
Hardware - Adapter
Adapter umożliwiający podłączenie DS1820 do portu szeregowego może zostać zbudowany z wykorzystaniem dwóch diod Zenera 3,9V oraz 6,2V o mocy około 500mW, dwóch szybkich diod Shottky'ego BAT85 i rezystora 1,5k
Rys. 1. Pierwszy propozycja układu
Rys. 2. Druga propozycja układu (na schemacie jest błąd powinno być D1 MTZJ3,9V)
Opis złącza DB-25: Serial (PC 25)
Opis złącza DB-9: Serial (PC 9)
Software
Do obsługi czujników DS1820, DS18S20, DS18B20 został stworzony darmowy program umożliwiający pomiar temperatury. Wszystko jest cały czas rozwijane i nie wiadomo czym autor nas jeszcze zaskoczy. W tym momencie możemy odczytywać dokładną, aktualną temperaturę z wielu czujników, tworzyć wykresy temperatur, a następnie je publikować i drukować. Nowatorskim rozwiązaniem jest pokazywanie temperatury nie tyle w sposób cyfrowy co analogowy za pomocą wskaźników wychyłowych. Ostatnio dodanymi możliwościami jest alarmowanie po przekroczeniu temperatury i rozpoczęcie współpracy z wyświetlaczem LCD.
Opracowano na podstawie:
http://www.riccibitti.com/pc_therm.htm
http://www.nic.fi/~kalliala/onewire_e.htm
Fajne? Ranking DIY