Witam!
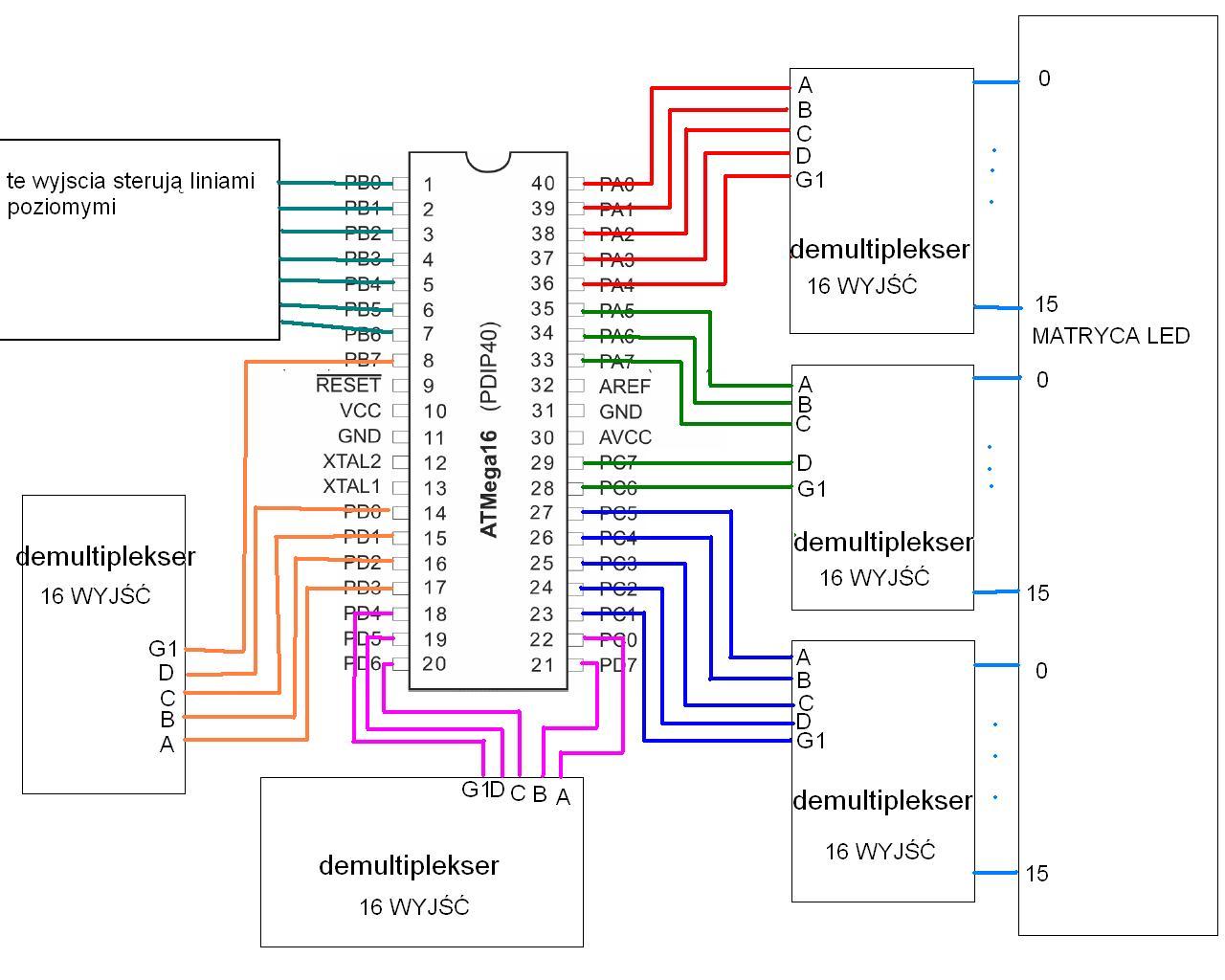
Mam pytanie dotyczące PORTU D mianowicie, jak na schemacie narysowałem PD3 - A PD2 - B PD1 - C PD0 - D PB7 - G1 . Czy PD0 i PD1 mają jakieś inne przeznaczenie niż I/O ? Ponieważ na demultiplekser nie dochodzi żaden stan z tych dwóch wyjść, demultiplekser policzy do 4 i się zapętla ( to wynika z tablicy niżej zamieszczonej, na A i B co 4 się powtarza całość) Wiecie co z tym zrobić ? Dodam że na AtMedze16 miałem ten sam problem, używam zestawu uruchomieniowego z GOTRONIKA:
http://programatory.com.pl/sklep/index.php?p121,modul-uruchomieniowy-avr-atmega-16-wersja-2
Pozdrawiam i z góry dzieki za pomoc ;]

Mam pytanie dotyczące PORTU D mianowicie, jak na schemacie narysowałem PD3 - A PD2 - B PD1 - C PD0 - D PB7 - G1 . Czy PD0 i PD1 mają jakieś inne przeznaczenie niż I/O ? Ponieważ na demultiplekser nie dochodzi żaden stan z tych dwóch wyjść, demultiplekser policzy do 4 i się zapętla ( to wynika z tablicy niżej zamieszczonej, na A i B co 4 się powtarza całość) Wiecie co z tym zrobić ? Dodam że na AtMedze16 miałem ten sam problem, używam zestawu uruchomieniowego z GOTRONIKA:
http://programatory.com.pl/sklep/index.php?p121,modul-uruchomieniowy-avr-atmega-16-wersja-2
Pozdrawiam i z góry dzieki za pomoc ;]
