PRZEDWZMACNIACZ MIKROFONOWY
Przedwzmacniacz ten jest oparty na jednym wzmacniaczu operacyjnym, który można dobierać wg
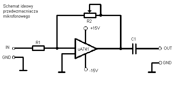
własnych potrzeb (oczywiście jeżeli jego parametry nie będą znacząco odbiegać od LM117). Wzmocnienie układu jest regulowane przy pomocy potencjometru R2, a impedancja wejścia rezystorem R1. Wzmocnienie całego układu można obliczyć ze stosunku R2/R1 i dobrać wg własnych upodobań. Zaletami układu jest: prostota wykonania i bardzo mały koszt.
Wykaz elementów
R1 - 1k
R2 - 100k
C1 - 500nF
US1 - LM117
ZASILACZ IMPULSOWY
Do przedwzmacniacza zalecam zastosować zasilacz impulsowy (dla zmniejszenia zakłóceń w przenoszonym sygnale) Proponowany zasilacz także charakteryzuje się prostotą wykonania.
Proponowany tranzystor można zamienić na inny o podobnych parametrach - nie wprowadzi to znaczących zmian do układu.
Wykaz elementów
TS1 - 220V/17V (kilka mA)
T1 - BC107
L1 - 10mH
D1 - 1N4001
C2 - 100uF
KOREKTOR GRAFICZNY
Do poprawy jakości przenoszonego sygnału można zastosować korektor oparty na filtrach RC. Ilość ustawień takiego korektora jest praktycznie nieograniczona jednak należy się liczyć z tym, że każdy następny filtr wprowadzi zakłócenia w sygnale. Dana częstotliwość takiego filtru jest jedynie osłabiana, jednak w tym wypadku wydaje się niepotrzebne jej wzmacnianie z uwagi na szeroki zakres wzmocnienia przedwzmacniacza. Dobór częstotliwości pozostawiam każdemu we własnym zakresie a obliczyć ją można ze wzoru.
nadesłał: Paweł Noga
paweln84(_at_)poczta.fm
Przedwzmacniacz ten jest oparty na jednym wzmacniaczu operacyjnym, który można dobierać wg
własnych potrzeb (oczywiście jeżeli jego parametry nie będą znacząco odbiegać od LM117). Wzmocnienie układu jest regulowane przy pomocy potencjometru R2, a impedancja wejścia rezystorem R1. Wzmocnienie całego układu można obliczyć ze stosunku R2/R1 i dobrać wg własnych upodobań. Zaletami układu jest: prostota wykonania i bardzo mały koszt.
Wykaz elementów
R1 - 1k
R2 - 100k
C1 - 500nF
US1 - LM117
ZASILACZ IMPULSOWY
Do przedwzmacniacza zalecam zastosować zasilacz impulsowy (dla zmniejszenia zakłóceń w przenoszonym sygnale) Proponowany zasilacz także charakteryzuje się prostotą wykonania.
Proponowany tranzystor można zamienić na inny o podobnych parametrach - nie wprowadzi to znaczących zmian do układu.
Wykaz elementów
TS1 - 220V/17V (kilka mA)
T1 - BC107
L1 - 10mH
D1 - 1N4001
C2 - 100uF
KOREKTOR GRAFICZNY
Do poprawy jakości przenoszonego sygnału można zastosować korektor oparty na filtrach RC. Ilość ustawień takiego korektora jest praktycznie nieograniczona jednak należy się liczyć z tym, że każdy następny filtr wprowadzi zakłócenia w sygnale. Dana częstotliwość takiego filtru jest jedynie osłabiana, jednak w tym wypadku wydaje się niepotrzebne jej wzmacnianie z uwagi na szeroki zakres wzmocnienia przedwzmacniacza. Dobór częstotliwości pozostawiam każdemu we własnym zakresie a obliczyć ją można ze wzoru.
nadesłał: Paweł Noga
paweln84(_at_)poczta.fm
Fajne? Ranking DIY