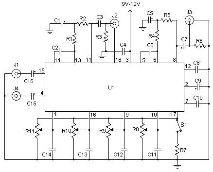
A mówiąc po ludzku jest to prosty układ do kontroli głośności, balansu, basów i sopranów. Układ ten może być dołączony do układu wzmacniacza, użyty jako osobny korektor lub też wbudowany w jakiś nowy i fascynujący instrument muzyczny. Opiera się na jednym układzie scalonym TDA1524A i kilkunastu zewnętrznych elementach. Jego zaletą jest to, że nie wymaga on zasilania symetrycznego, i może działać przy napięciu 9 do 15V (chociaż przy 9V basy będą trochę osłabione). Przełącznik S1 służy do włączania konturu. Głośność jest regulowana potencjometrem R11, balans za pomocą R10. R9 i R8 służą do kontroli basów i sopranów. Gniazdo J1 i J2 to odpowiednio wejście i wyjście kanału lewego. J4 i J3 to wejście i wyjście dla kanału prawego.
Spis elementów
C1, C3, C5, C7, C15, C16 - 2.2uF
C2, C6 - 0.05uF
C4 - 0.22uF
C8, C10 - 0.015uF
C9 - 100uF
C11, C12, C13, C14 - 0.1uF
R1, R4 - 10K 1/4W
R2, R5 - 33K 1/4W
R3, R6 - 4.7K 1/4W
R7 - 2.2K 1/4W
R8, R9, R10, R11 - 50K Potencjometry liniowe
U1 - TDA1524A

Spis elementów
C1, C3, C5, C7, C15, C16 - 2.2uF
C2, C6 - 0.05uF
C4 - 0.22uF
C8, C10 - 0.015uF
C9 - 100uF
C11, C12, C13, C14 - 0.1uF
R1, R4 - 10K 1/4W
R2, R5 - 33K 1/4W
R3, R6 - 4.7K 1/4W
R7 - 2.2K 1/4W
R8, R9, R10, R11 - 50K Potencjometry liniowe
U1 - TDA1524A
Fajne? Ranking DIY