logo elektroda
logo elektroda
X
logo elektroda
REKLAMA
REKLAMA
Adblock/uBlockOrigin/AdGuard mogą powodować znikanie niektórych postów z powodu nowej reguły.

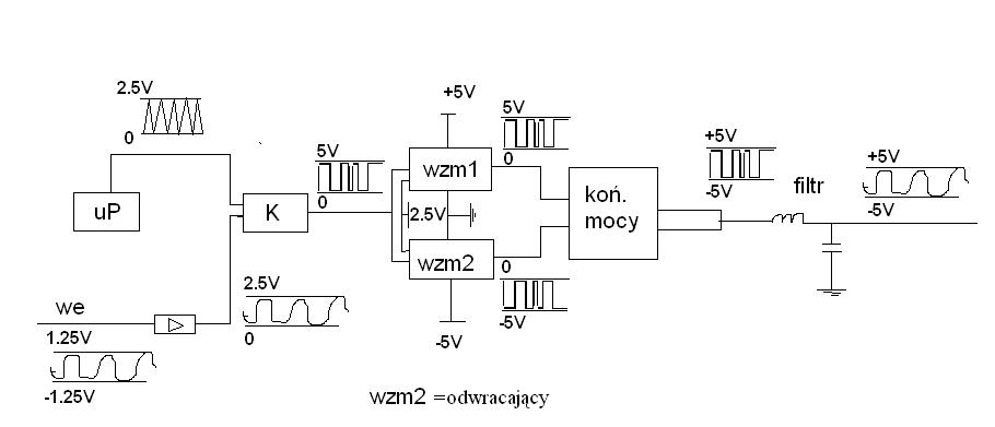
Wzmacniacz w klasie T. Jak dobrać końcówkę mocy??

pawlpablo 05 Maj 2010 20:35 1770 1
REKLAMA
  • #1 8039828
    pawlpablo
    Poziom 2  
    Witam

    Mam problem z wzmacniaczem w klasie T.
    Wzmacniacz w klasie T. Jak dobrać końcówkę mocy??

    Układ działa do momentu końcówki mocy gdzie zastosowałem MOSFET-y.

    Wzmacniacz w klasie T. Jak dobrać końcówkę mocy??

    Kupiłem IRF7317 aby mieć całą końcówkę w jednej obudowie,
    Wzmacniacz w klasie T. Jak dobrać końcówkę mocy??

    Po podłączeniu zamast sygnału mam zasilanie na wyjściu. Po podłączeniu zasilania bez obciążenia syg.
    wejściowym na wyjściu mam znów nap. zasilania.:cry:

    Zastanawiam się co nie tak wykonałem-może źle dobrałem tego IRF-a??

    Proszę o pomoc.
    Z góry dziękuję.
  • REKLAMA
  • #2 8096246
    pawlpablo
    Poziom 2  
    Dziękuję za odpowiedź :?

    A teraz serio.
    Znalazłem już rozwiązanie więc podzielę się nim - może komuś pomoże w przyszłości :D

    Błędnie są podawane informacje o sygnale wejściowym na MOSFET-y (przedrukowywane te same artykuły z błędem).
    Wzmacniacz w klasie T. Jak dobrać końcówkę mocy??

    W tym wypadku kluczowanie jest niemożliwe ponieważ oba tranzystory przełączane są jednocześnie tzn. oba załączane i oba wyłączane.

    Sygnał symetryczny rozwiązuje problem - sprawdzone na IRF7317
REKLAMA