logo elektroda
logo elektroda
X
logo elektroda
REKLAMA
REKLAMA
Adblock/uBlockOrigin/AdGuard mogą powodować znikanie niektórych postów z powodu nowej reguły.

[atmega8][BASCOM]Problem z TSOP1736

krzyss159 10 Maj 2010 18:41 2692 8
REKLAMA
  • #1 8059481
    krzyss159
    Poziom 10  
    Witam, pewnie zaraz mnie tu zbluzgacie za błahy temat, ale co mi tam. Na swoją obronę powiem tylko tyle, że przeszukałem elektrodę wzdłuż i wszerz i nie znalazłem rozwiązania, przetestowałem wszystkie możliwości i nic:/

    Chodzi mi o pomoc w napisaniu prostego programu który będzie odbierał kory Rc5 za pomocą odbiornika TSOP 1736, jak pisałem wcześniej nic nie pomaga, próbowałem na kilka sposobów i nic nie działa;/

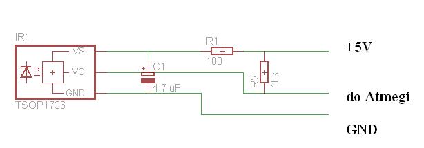
    sam odbiornik podpiąłem według schematu:
    [atmega8][BASCOM]Problem z TSOP1736


    Kod który ma to niby obsługiwać to:

    [/img]


    
    
           $regfile = "m8def.daT"
    $crystal = 8000000
    
    
    Config Lcd = 16 * 2
    
    Config Lcdpin = Pin , Db4 = Portc.3 , Db5 = Portc.2 , Db6 = Portc.1 , Db7 = Portc.0 , E = Portc.4 , Rs = Portc.5
    
    Config Rc5 = Pind.2
    
    Dim Adress As Byte , Command As Byte
    
    Enable Interrupts
    
    Do
    
    Getrc5(adress , Command)
    
    Command = Command And &B01111111
    
    Cls
    
    Lcd "Adres: " ; Adress
    
    Lowerline
    
    Lcd "Komenda: " ; Command
    
    Waitms 100
    
    Loop
    End
    
    


    Na prowizorycznej płytce testowej, innej niż testuje ten odbiornik zrobiłem coś ala nadajnik kodów RC5, działa, bo robi różne rzeczy z telewizorem, tzn nadaje kolejne komendy w tym kodzie a TV reaguje na nie odpowiednio, to zmienia kanał, to włącza telegazetę itp.
    Więc mam chyba dobry nadajnik kodu RC5 i niedziałający odbiornik. Na wyświetlaczu odbiornika cały czas wyświetla się

    Adres: 255
    Komenda:127

    proszę o pomoc, może zrobiłem coś źle, tzn na bank coś skopałem, ale proszę niech ktoś powie mi co ;/

    Z góry dziękuję bardzo za pomoc.

    Proszę poprawić nazwę tematu na zgodną z regulaminem!
    Robak
  • REKLAMA
  • #2 8059593
    landy13
    Poziom 31  
    Program działa. Musisz mieć coś skopane w połączeniach.
  • REKLAMA
  • #3 8059999
    krzyss159
    Poziom 10  
    Sprawdzałem już z 10 razy wszystko dobrze podłączone, nie wiem co może być nie tak. Jak mogę sprawdzić czy odbiornik działa prawidłowo?
  • #4 8060034
    _Robak_
    Poziom 33  
    TSOPy są bardzo chimeryczne, mogą się zatkać. Wymień na nowy i sprawdź.

    I popraw proszę nazwę tematu!
  • Pomocny post
    #5 8060043
    JarekC
    Poziom 32  
    Witam,

    Czy nie zasugerowałeś się schematem co do kolejności nóżek TSOP1736.

    Patrząc od przodu na odbiornik, nóżki w dół mamy od lewej:

    GND VCC(VS) OUT(VO)

    W nawiasach oznaczenia z twojego schematu.

    Charakterystyczne jest to, że nóżka OUT jest odsunięta od dwóch pozostałych.

    Pozdrawiam
    JarekC
  • REKLAMA
  • #6 8060062
    landy13
    Poziom 31  
    TSOPa możesz sprawdzić podłączając LEDa do wyjścia, oczywiście z rezystorem. Każdy pilot powoduje widoczne pulsowanie.
    Nie wiem na ile jesteś zaawansowany, ale czy procesor chodzi faktycznie na 8MHz?

    EDIT: Sprawdziłem - na 1MHz program też działa, chociaż chyba nie powinien?
  • REKLAMA
  • Pomocny post
    #7 8062754
    mirekk36
    Poziom 42  
    _Robak_ napisał:
    TSOPy są bardzo chimeryczne, mogą się zatkać. Wymień na nowy i sprawdź.


    TSOPy firmy VISHAY to najlepsze z najlepszych odbiorników podczerwieni ;) .... zatykać ??? a co to znaczy? .... gdybym powiedział, że użyłem ich kilkaset to bym skłamał, gdybym powiedział, że użyłem ich kilka tysięcy to bym już przesadził - ale coś pomiędzy kilkaset a kilka tysięcy ;)

    Zawsze wybieram właśnie je bo nigdy nie ma z nimi najmniejszych problemów i mają nalepszą z najlepszych filtrację zakłóceń z otoczenia.

    Jeszcze nigdy - nie zdarzył mi się choć z jednym jakiś najmniejszy problem.


    Jeśli się stosuje rezystorek 100-200R oraz kondensator ok 4,7uF na nodze zasilania oraz podciąganie 10K do VCC wyjścia danych to MUSI działać i to zawsze rewelacyjnie.

    Jeśli panie autor tobie jednak nie działa - to jak pisał kolega wyżej sprawdź pinologię bo prawdopodobnie ci się coś pochrzaniło i podłączyłeś go nie tak jak trzeba.

    Poza tym to nie dziwota że cały czas pokazuje ci się Address=255 i Command=127 skoro tak napisałeś program ;)

    Zajrzyj , że pan do HELPA Bascoma - masz tam wyraźnie pokazany przykład. Na wyświetlaczu wyświetlaj wyniki odbioru gdy Address np jest równe 0. Musisz dodać IF'a . Przeważnie pilot TV nadaje adres 0 .... więc jeśli wystąpi 0 to znaczy że nadleciał prawidłowy kod i wtedy wyświetli ci się prawidłowy Command

    Tymczasem twoje Getrc5 jest cały czas wywoyłwane i gdy nic nie odebrało to normalne że wstawia właśnie do Address i command liczby 255 tyle że kasujesz 7 bit w command dlatego masz tam 127
  • #8 8062797
    _Robak_
    Poziom 33  
    Hmm może jak używa ich w tych celach do jakich zostały stworzone, to rzeczywiście nie ma problemów. Ja, i nie tylko ja, używałem ich jako czujników obiciowych i przy ciągłym podawaniu na nich sygnału IR 36KHz, potrafiły się zablokować. Nie jest to tylko moje zdanie;) Choć jak mówisz że do pilotów są bezproblemowe to na pewno tak jest:)
  • #9 8062927
    krzyss159
    Poziom 10  
    Po raz kolejny ekipa z elektrody mi pomogła, wielkie dzięki za to:)
REKLAMA