logo elektroda
logo elektroda
X
logo elektroda
REKLAMA
REKLAMA
Adblock/uBlockOrigin/AdGuard mogą powodować znikanie niektórych postów z powodu nowej reguły.

Zabezpieczenie by Irek, czy z PA300...?

Grove82 13 Maj 2010 21:15 1762 1
REKLAMA
  • #1 8072248
    Grove82
    Poziom 12  
    Witam serdecznie... od pewnego czasu próbuję wybrać odpowiednie zabezpieczenie dla wzmacniacza mocy... i tu prośba do forumowiczów... który układ waszym zdaniem wydaje się być waszym zdaniem lepszy...
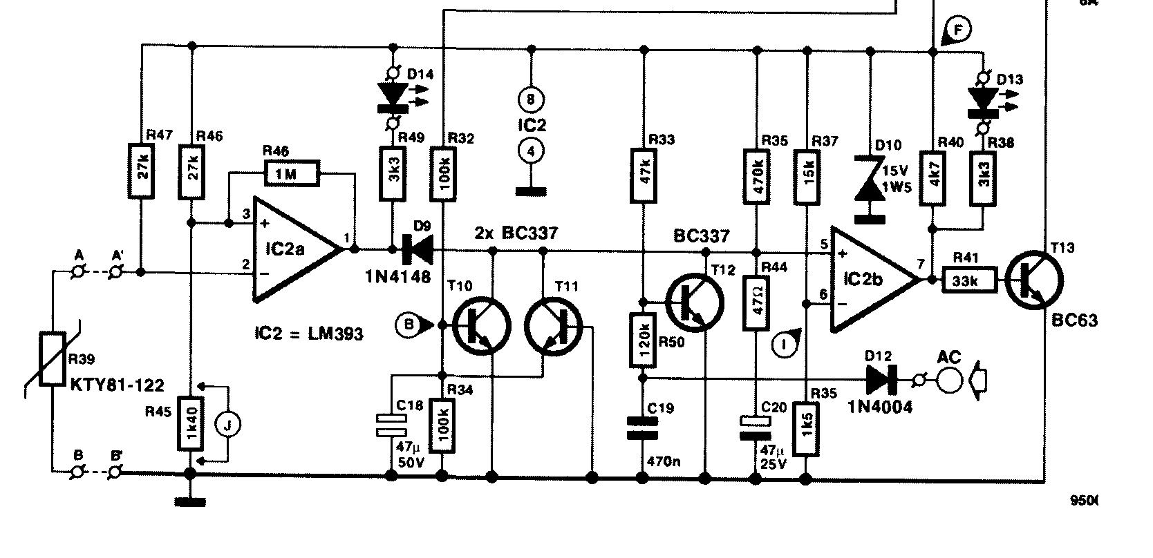
    Zabezpieczenie ze stopnia PA300
    Zabezpieczenie by Irek, czy z PA300...?
    Lub zabezpieczenie by Irek... z pełnym szacunkiem dla Pana Irka...
    Zabezpieczenie by Irek, czy z PA300...?
    Dziękuję wszystkim za opinie i podpowiedzi, bądź inne pomysły dot. zabezpieczeń...
    Wkrótce przedstawię na forum wzmacniacz mojej konstrukcji, lecz czeka mnie jeszcze sporo pracy, a chwilowo nie ma mnie w kraju :(
    Pozdrawiam...
  • REKLAMA
  • #2 8073715
    kotowaty
    Poziom 15  
    Ja robiłem zabezpieczenia z PA300 i powiem szczerze że spęlniają swoje zadanie w 120%, Zabezpieczeń pana irka nie testowałem ale od siebie polecam PA300
REKLAMA