Witam,
potrzebuję opisu pinów we wtyczce ECU do Golfa 4 1,6 16V ATN 105KM 2000r.
Najlepszy byłby taki, by odczytać z niego jaki fizycznie pin jaki ma numer, czyli obrazkowo, coś w tym stylu.
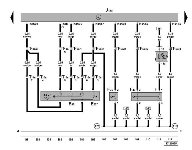
Dodatkowo jeszcze potrzebuję najlepiej całego schematu elektryki w tym aucie. Borykam się z kłopotem, że chcę podłączyć tempomat, a nie mam stuprocentowej pewności, co do układu pinów we wtyczce ECU oraz czy schemat instalacji jaki mam - jest w ogóle dobry. Z braku laku obejrzę też do innych silników. Będę wdzięczny za wszystko, co macie w tym temacie.
Z góry dzięki.
potrzebuję opisu pinów we wtyczce ECU do Golfa 4 1,6 16V ATN 105KM 2000r.
Najlepszy byłby taki, by odczytać z niego jaki fizycznie pin jaki ma numer, czyli obrazkowo, coś w tym stylu.
Dodatkowo jeszcze potrzebuję najlepiej całego schematu elektryki w tym aucie. Borykam się z kłopotem, że chcę podłączyć tempomat, a nie mam stuprocentowej pewności, co do układu pinów we wtyczce ECU oraz czy schemat instalacji jaki mam - jest w ogóle dobry. Z braku laku obejrzę też do innych silników. Będę wdzięczny za wszystko, co macie w tym temacie.
Z góry dzięki.

